双开关正激转换器及其应用设计
摘要:与三次绕组和RCD钳位等常见变压器磁芯复位技术相比,双开关正激技术不需要特殊的复位电路,更易于实现,且保证可靠的磁芯复位,适用的功率等级比单开关正激技术更高。安森美半导体的NCP1252是一款增强型双开关正激转换器,具有可调节开关频率及跳周期模式,带闩锁过流保护等多种保护特性,适合计算机ATX电源、交流适配器、UC38xx替代及其它任何需要低待机能耗的应用。
单开关(或称单晶体管)正激转换器是一种较基本类型的基于变压器的隔离降压转换器,广泛用于需要大降压比的应用。这种转换器的优点包括只需单颗接地参考晶体管,及非脉冲输出电流减小输出电容的均方根纹波电流含量等。但这种转换器的功率能力小于半桥或全桥拓扑结构,且变压器需要磁芯复位,使这种转换器的较大占空比限制在约50%。此外,金属氧化物半导体场效应管(MOSFET)开关的漏电压变化达输入电压的两倍或更多,使这种拓扑结构较难于用在较高输入电压的应用。

图1:正激转换器不带磁芯复位与带磁芯复位之对比。
正激转换器中,变压器的磁芯单方向磁化,在每个开关周期都需要采用相应的措施来使磁芯复位到初始值,否则励磁电流会在每个开关周期增大,经历几个周期后会使磁芯饱和,损坏开关器件。相对而言,如果有磁芯复位,电流就不会在每个开关周期增大,电压会基于励磁电感(Lmag)反相并使磁芯复位。图1以单开关正激转换器为例,简要对比了无磁芯复位与有磁芯复位的电路图及励磁电感电流波形。
有3种常见的标准磁芯复位技术,分别是三次绕组,电阻、电容、二极管(RCD)钳位和双开关正激。三次绕组磁芯复位技术的电路示意图参见图1b),这种技术能够提供大于50%的占空比,但开关Q1的峰值电压可能大于输入电压的2倍,而且变压器有三次绕组,使变压器结构更复杂。RCD钳位磁芯复位技术也能使占空比大于50%,但需要写等式和仿真,以检验复位的正确性,让设计过程更复杂。RCD钳位技术的成本比三次绕组技术低,但由于复位电路中的钳位电阻消耗能量,影响了电源转换效率。

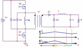
图2:双开关正激转换器电路原理图。
与前两种磁芯复位技术相比,双开关正激更易于实现,而且开关Q1上的峰值电压等于输入电压,降低了开关所承受的电压应力。这种技术需要额外的MOSFET (Q2)和高端驱动器,且需要2个高压低功率二极管(D3和D4),参见图2。双开关正激技术的每个开关周期包含3步:第1步,开关Q1、Q2及二极管D1导通,二极管D2、D3及D4关闭;第2步,开关Q1、Q2及二极管D1关闭,而二极管D2、D3及D4导通;第3步,开关Q1、Q2及二极管D1仍然关闭,二极管D2仍然导通,而二极管D3及D4则关闭。
当然,采用这种技术后,转换器就成了双开关正激转换器,它不同于单开关正激转换器,不需要特殊的复位电路就可以保证可靠的变压器磁芯复位,可靠性高,适合更高功率等级。
NCP1252双开关正激转换器演示板规格概览
NCP1252是安森美半导体新推出的一款改进型双开关正激转换器,适合于计算机ATX电源、交流适配器、UC38XX替代及其它任何要求低待机能耗的应用,相关能效测试结果将在后文提及。这器件也是一种固定频率控制器,带跳周期模式,能够提供真正的空载工作。此外,NCP1252具有可调节开关频率,增强设计灵活性;还带有闩锁过流保护功能,能够承受暂时的过载。其它特性还包括可调节软启动时长、内部斜坡补偿、自恢复输入欠压检测等。
NCP1252与市场上不含输入欠压检测、软启动及过载检测的UC384x系列器件相比,提供这系列器件所不包含的这些功能(额外实现成本为0.07美元),降低成本并提升可靠性。
安森美半导体基于NCP1252构建的演示板规格包括:
-
输入电压范围:350至410 Vdc;
-
输出电压:12 Vdc,精度±5%;
-
额定输出功率:96 W (8 A);
-
较大输出功率:120 W (每分钟持续5秒);
-
较小输出功率:真正空载(无假负载);
-
相关阅读:
- ...2011/06/24 12:14·采用一个双开关电容器仪表单元式部件的 50MHz 热敏电阻 RMS 至 DC 转换器
- ...· Efinix® 全力驱动AI边缘计算,成功推出Trion™ T20 FPGA样品, 同时将产品扩展到二十万逻辑单元的T200 FPGA
- ...· 英飞凌亮相进博会,引领智慧新生活
- ...· 三电产品开发及测试研讨会北汽新能源专场成功举行
- ...· Manz亚智科技跨入半导体领域 为面板级扇出型封装提供化学湿制程、涂布及激光应用等生产设备解决方案
- ...· 中电瑞华BITRODE动力电池测试系统顺利交付北汽新能源
- ...· 中电瑞华FTF系列电池测试系统中标北京新能源汽车股份有限公司
- ...· 中电瑞华大功率高压能源反馈式负载系统成功交付中电熊猫
- ...· 中电瑞华国际在电动汽车及关键部件测评研讨会上演绎先进测评技术
- ...· 华芯微国产汽车芯片门电路系列(篇一)
- ...· 华芯微国产汽车芯片CAN收发器系列(篇一)
- ...· 华芯微国产汽车芯片DC/DC转换器系列
- ...· 华芯微国产汽车芯片DC/DC转换器系列
- ...· 华芯微国产汽车芯片运算放大器系列(篇一)
- ...· 华芯微国产汽车芯片MOSFET 驱动器系列(篇一)
- ...· 数据采集终端系统设备
- ...· 简仪科技踏上新征程








