便携媒体播放器的电源管理分组技术
较新的市场统计数据显示,便携式媒体播放器是目前发展较快的便携式消费类电子终端设备。消费者希望在路上也能聆听他们喜爱的音乐,欣赏视频剪辑甚至电影。不过,消费者还希望获得更多功能。即将推出的媒体播放器将集成 GPS 功能和音视频广播接收功能。
越来越多的器件功能对设计工程师提出了一些重大的技术挑战。媒体播放器需要存储并快速处理海量数据,提供高质量的音视频重现功能。因此,电源管理已成为能否提供更长工作和待机时间的重要因素,关系到一种产品的商业成败。
我们不妨来了解一下现代模拟电源管理系统的特性、性能折衷策略以及分组技术,该系统不仅能确保电池充电快速、安全,而且还可为便携式媒体播放器的所有系统组件高效供电。
设计挑战
不断发展的消费者需求对技术提出了新的挑战。音频/视频播放、游戏及全球定位系统 (GPS) 等功能都需要高效使用电池电量。设计时尚、小巧、用户友好型器件要求采用极微小的集成电子与机械组件。
为了尽可能延长工作时间,设计人员必须正确选择电池的化学特性与容量。精确的电池电量监测有助于避免系统过早关闭,并使系统充分利用电池可用电量。正确选择功率转换电路也决定着电池为系统供电的效率。
器件有着严格的尺寸要求,因此设计人员应在小而薄的封装中采用集成元件,确保良好的功耗性能。虽然现代电源 IC 能在同一器件上集成数个电源通道,但我们必须了解系统的电源分组,以避免过度集成。在复杂的电子系统中,如果所有供电元件都集中在相同的位置,这样会造成电源管理设备到实际负载点的线迹过长,从而会导致噪声和散热问题,进而延长开发时间。
创新型解决方案
处理设备居于便携式媒体播放器(图1)的核心地位,它通常结合了微控制器和数字信号处理内核,负责处理不同来源的音频和视频数据,并管理用户界面。高质量音频编解码器确保对声音信息的适当编码和重现。视频编码器使便携式媒体播放器能连接到外部监视器或电视机,适合大屏幕观赏。显示设备主要是彩色薄膜晶体管 (TFT) LCD 模块,LCD 模块通常包括行列视频驱动器和实现背光功能的白光 LED 电源。

GPS 芯片组使播放器能用作便携式 GPS 导航系统,而 FM 调谐器 IC 则能接收无线电广播。
便携式媒体播放器需要几种类型的存储设备和处理内存。处理器通常与闪存存储器协同工作,并利用 EEPROM 存储配置数据和操作系统。音频和视频数据可存储在 SD 卡等移动存储介质上,而内置硬盘驱动器通常可存储较大的数据资料。
处理器、存储器和显示屏构成整体系统,需要不同的电压轨和大量电力。我们必须高效管理电池,实现高效充电,尽可能提高电池到系统的电压转换效率。电池通常是一节锂离子电池,电池容量根据整体用电需求在 1200 至 2000mAh 之间,充电电流应高于 1A。锂离子 (Li-Ion) 电池充电器能安全准确地给电池再充电,而精确的电池电量监测设备可确定充电状态,并有助于系统较大限度利用任何可用电量。
数个电源转换器将电池电压转换为系统电压。3.3 V 的高电流电源轨可用于对带有显示控制器与背光功能的TFT LCD显示模块、高量漏极(HDD)、处理器 I/O 以及音频编解码器供电。处理引擎要求的内核电压相对较低,1.2 或 1.8 V 即可。音频与 RF 组件电源可能需要用线性稳压器来实现稳压输出,以便滤掉开关转换器纹波。
我们有必要更密切地关注一下电源管理系统的分组。通常人们会认为,与数字组件类似,电源系统也应尽可能集成。但这会带来严重的问题。如果将线性电池充电器与功率转换级集成,就会在集成度极高的板级空间造成散热问题。此外,电池充电器通常靠近电池与 AC 适配器的连接处,而功率转换级的理想位置是接近负载点,即处理系统。还有一点值得注意的是,不同型号的媒体播放器根据用途不同要求不同的充电器特性,但功率转换系统都是一样的。鉴于上述原因,较节约成本、设计也较方便的解决方案就是将电池管理与功率转换分由不同的IC来完成,如图 1 所示。这不仅有助于较大化设计灵活性,简化布局与散热管理,而且还能够降低解决方案的总成本。
为了维护安全工作条件并较大化电池工作时间,电池充电器应确保锂离子电池的充电过程符合制造商的规范。要实现这一目标,就要采用恒流恒压 (CCCV) 的充电方案,并确保稳压精度小于 1% ,以避免出现过度充电。我们应识别出剩余电量极低的电池,先以一定比例的较大充电速度给它充电,慢慢提高电池电压,然后再进入快速充电模式。此外,充电器应通过专门的温度传感引脚 (TS) 测量电池的温度,避免在 0 ℃~40℃ 范围之外进行充电,从而尽可能延长电池的工作时间。
不管电源来自 USB 端口还是 AC/DC 墙上适配器,充电器都应对充电工作加以管理。就某些应用而言,充电 IC 的电力来自高压前端 DC/DC,电池可直接从高压电源进行充电,如轿车或卡车所用的电池就是这种情况。输入引脚上的额定输入电压较大可达 18 V,这不仅能避免系统在DC 电源线路上出现过压峰值,而且还能使用价格较低的非稳压墙上电源。充电 IC 可以确定进入电池的实际充电电流和系统所用的电流。因此,电池充电和系统运行同时进行的情况下,充电过程也不会出现非正常终止问题。上述解决方案实现了动态的电源管理,在系统和电池间合理分配可用的 DC 输入功率。如果系统电流上升,电池充电电流会自动降低,反之亦然,从而满足整体供电量的要求。这有助于优化成本,使墙上电源也能满足系统整体的平均用电需要,兼顾电池充电和应用运行,而不是必需采用满足较严格用电条件的电源。
我们在微型的 3.5mm x 4.5mm QFN 封装中集成了所有必需的充电控制和电源通道电源晶体管,从而使解决方案的整体尺寸达到了较小化。此外,我们还可使媒体播放器系统在电池充电器给电池充电的同时实现睡眠模式下工作。充电器将根据检测到的较小电流终止充电,并提供可编程定时器,进一步提高安全性。
我们可用电池电量监测计来精确测定剩余电池电量,从而进一步改善电池管理。这样,处理器就能有效采用低功耗模式,并在需要充电时提醒用户,从而更好地管理媒体播放器的功耗。

媒体播放器的功率转换主要是通过转换 DC 稳压器来实现功率效率较大化。我们认为,就稳压工作而言,线性稳压器解决方案具有体积小和成本低等优势。这种解决方案成本较低,对低电流和低稳压差分而言效率也比较高,但如果电流超过300mA 到 400mA 的话,就会因为功耗太高而需要占地很大且价格昂贵的散热片。如果输出电流较高且输入至输出的电压差分很大,就会发生此类问题。假设我们用 3.6 V 的锂离子电池提供 1.2 V 的内核电压,线性稳压器这时的工作效率只有 33%,电池电力大部分都变成散热消耗掉了。DC/DC 转换器的工作效率实际高达 90% 以上,其功耗仅为低降压稳压器 (LDO)消耗的一小部分。

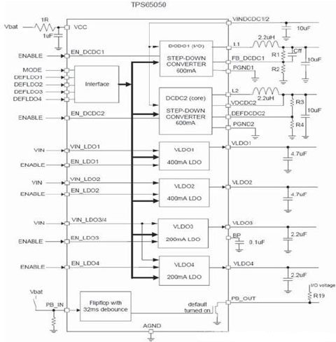
图 3 给出了同一 IC 封装中采用几个电源转换器的高效集成式功率转换机制实例。为使处理引擎采用低压内核电源,主系统电压为 3.3 V,我们采用带 FET 的全集成同步 DC/DC 降压转换器来实现较大功率效率,并尽可能减少外部组件数。采用该解决方案时,无需使用占地较大的散热片。相对 DC/DC 控制器解决方案而言,全集成的 DC/DC 转换器采用片上转换 FET 并实现内部补偿机制。这就是说,设计工程师不必选择外部晶体管,也不必采用昂贵而难用的设计软件来分析补偿与稳定条件。组件选择非常方便,我们只需根据数据表单,采用推荐的电感器即可。
较多4个线性稳压器为音频、RF 及其他子组件提供低电流辅助电源,这有助于减少组件数,针对不同类型的电压轨,在成本、大小和效率之间实现较佳平衡。
集成电源管理解决方案具有一些能够显著节省板级空间的独特特性。由于集成了所有开关晶体管,因此电路只需要两个电感器和少数几个电容器。2.25 MHz高开关频率使电感器尺寸减小到 2.2mH,从而能使用高度还不足 1 毫米的芯片电感器,而转换效率仍高达 90% 以上。为进一步降低功耗,DC/DC 稳压器还提供自动 PFM/PWM 模式转换功能,在很大负载范围上,都能较大化转换效率。低负载电流运行时,转换器可进入脉冲频率调制 (PFM) 模式,而负载电流大于 50 mA 时,脉冲宽度调制 (PWM) 控制方案则能对其提供支持。
4 个线性稳压器和 1 个输出电容器即可提供低电流电源。为尽可能提高设计灵活性,该器件还提供串行接口,以便实现稳压器电压的灵活编程,这样处理系统就能控制自己的电源,并调节电源电压以优化电源性能。该器件采用小型QFN封装,这样IC的面积可减至4mmx4mm。
结语
便携式媒体播放器在便携式电子设备市场中的份额不断上升。消费者希望小型设备能够提供更多功能,且实现更长的工作时间。电池技术与低功耗半导体组件的不断发展可以帮助工程师逐步满足上述要求。与此同时,电源设计人员在电子产品设计中发挥关键作用。精确监测电池容量有助于充分利用电池全部电力,与高效的功率转换相结合,有助于充分发挥电池的作用。我们采用高度集成的电源管理设备,并尽可能减少外部组件数和封装尺寸,这有助于高效利用有限的板级空间,以便集成更多功能,并减小产品尺寸与重量。
相关阅读:
- ...· Efinix® 全力驱动AI边缘计算,成功推出Trion™ T20 FPGA样品, 同时将产品扩展到二十万逻辑单元的T200 FPGA
- ...· 英飞凌亮相进博会,引领智慧新生活
- ...· 三电产品开发及测试研讨会北汽新能源专场成功举行
- ...· Manz亚智科技跨入半导体领域 为面板级扇出型封装提供化学湿制程、涂布及激光应用等生产设备解决方案
- ...· 中电瑞华BITRODE动力电池测试系统顺利交付北汽新能源
- ...· 中电瑞华FTF系列电池测试系统中标北京新能源汽车股份有限公司
- ...· 中电瑞华大功率高压能源反馈式负载系统成功交付中电熊猫
- ...· 中电瑞华国际在电动汽车及关键部件测评研讨会上演绎先进测评技术
- ...· 华芯微国产汽车芯片门电路系列(篇一)
- ...· 华芯微国产汽车芯片CAN收发器系列(篇一)
- ...· 华芯微国产汽车芯片DC/DC转换器系列
- ...· 华芯微国产汽车芯片DC/DC转换器系列
- ...· 华芯微国产汽车芯片运算放大器系列(篇一)
- ...· 华芯微国产汽车芯片MOSFET 驱动器系列(篇一)
- ...· 数据采集终端系统设备
- ...· 简仪科技踏上新征程








