LED日光灯设计方案
作者:颜重光
摘要:日光灯作为一种光亮柔和而有效的光源在全世界广受欢迎,无论是在家居、商店、办公室、学校、超市、医院、剧场,还是在商业冰柜、广告灯箱、地铁、人行隧道、人防工程、夜市灯饰照明等,只要需要照明的地方均可见到日光灯。
日光灯作为一种光亮柔和而有效的光源在全世界广受欢迎,无论是在家居、商店、办公室、学校、超市、医院、剧场,还是在商业冰柜、广告灯箱、地铁、人行隧道、人防工程、夜市灯饰照明等,只要需要照明的地方均可见到日光灯。
传统的荧光日光灯其电源的利用率并不理想:附加镇流器功耗较大,开启时需要辅助高压;日光灯管内置的水银在废弃时无法处理,成为污染环境的公害。日光灯管的荧光粉在充入日光灯管过程中,含有较多量的汞(水银),因此日光灯管破裂后,跑出来的水银蒸气对人体的危害较大。权威资料显示:汞蒸气达0.04至3毫克时会使人在2至3月内慢性中毒,达1.2至8.5毫克时会诱发急性汞中毒,如若其量达到20毫克,会直接导致动物死亡。
作为第四代新型节能光源,LED光源诞生之时即被用来做各类灯具的发光光源。0.06W的白光LED草帽灯、食人鱼是较早被用在LED日光灯的发光灯条上的。每个LED日光灯管使用数量不等,约280-360颗。现在新一代的LED日光灯发光灯条使用从0.06W到1W、显色为纯白、青白、暖白、冷白的贴片LED平面光源。
节能省电是LED日光灯的较大特点。以T8日光灯为例,标称36W的荧光日光灯(CFL),其附加镇流器耗电8W,工作时实际耗电44W,照亮流明为420lm,使用寿命3千小时。而同样规格的LED日光灯,工作时实际耗电仅16W,照亮流明为550lm,使用寿命可达3万小时。
PWM LED驱动控制器PT4107
LED日光灯的LED灯条电源驱动方案有很多种,目前非隔离方案因其效率高而占主流,而用PWM LED驱动控制器来做LED日光灯驱动电源的又占绝大多数。
PT4107是一个典型的PWM LED驱动控制器,其内部拓扑结构如图1

PT4107内部拓扑图
PT4107是一款高压降压式PWM LED驱动控制器,通过外部电阻和内部的齐纳二极管,可以将经过整流的110V或220V交流电压箝位于20V。当Vin上的电压超过欠压闭锁阈值18V后,芯片开始工作,按照峰值电流控制的模式来驱动外部的MOSFET。在外部MOSFET 的源端和地之间接有电流采样电阻,该电阻上的电压直接传递到PT4107芯片的CS端。当CS端电压超过内部的电流采样阈值电压后,GATE端的驱动信号终止,外部MOSFET关断。阈值电压可以由内部设定,或者通过在LD端施加电压来控制。如果要求软启动,可以在LD端并联电容,以得到需要的电压上升速度,并和LED电流上升速度相一致。
PT4107的主要技术特点:从18V到450V的宽电压输入范围,恒流输出;采用频率抖动减少电磁干扰,利用随机源来调制振荡频率,这样可以扩展音频能量谱,扩展后的能量谱可以有效减小带内电磁干扰,降低系统级设计难度;可用线性及PWM调光,支持上百个0.06W LED的驱动应用,工作频率25kHz-300kHz,可通过外部电阻来设定。
PT4107封装如图2,各引脚功能如下:
1.GND 芯片接地端;
2.CS LED峰值电流采样输入端;
3.LD 线性调光接入端;
4.RI 振荡电阻接入端;
5.ROTP 过温保护设定端;
6.PWMD PWM调光兼使能输入端,芯片内部有100K上拉电阻;
7.VIN 芯片电源端;
8.GATE 驱动外挂MOSFET栅极;

PT4107封装
设计全电压20W日光灯开关恒流源
以AC 85V~245V全电压输入为例,采用PT4107 PWM LED驱动控制器来做LED日光灯驱动电源的主芯片,设计一个比较理想的应用电路方案(图3)。该方案由全电路由抗浪涌保护、EMC滤波、全桥整流、无源功率因素校正(PFC)、降压稳压器、PWM LED驱动控制器、扩流恒流电路组成。

全电压20W日光灯开关恒流源方案图
按此理念,设计成的全电压20W日光灯开关恒流源电原理图如图4所示。从AC 220V看进去,交流市电入口接有1A保险丝FS1和抗浪涌负温度系数热敏电阻NTC,之后是EMI滤波器,由L1、L2和CX1组成。BD1是整流全桥,内部是4个高压硅二极管。C1、C2、R1、D1~D3组成无源功率因数校正电路。PT4107芯片由T1、D4、C4、R2~R4组成的电子滤波器降压稳压后供电,这个滤波器输入阻抗很高,输出阻抗很小,整流后近300V直流高压经此三极管降压向PT4107 Vin提供约18~20V稳定电压,确保芯片在全电压范围里稳定工作。
这个电路不像先前方案的电阻降压电路那样耗能而发烫。PWM控制芯片U1(PT4107)和功率MOS管Q1、镇流功率电感L3、续流二极管D5组成降压稳压电路,U1采集电流采样电阻R6~R9上的峰值电流,由内部逻辑在单周期内控制GATE脚信号的脉冲占空比进行恒流控制。输出恒流与D5、L3的续流电路合并向LED光源恒流供电,改变电阻R6~R9的阻值可改变整个电路的输出电流,但D5、L3也要随之改动。R5是芯片振荡电路的一部分,改变它可调节振荡频率。电位器RT在本电路中不是用来调光,而是用来微调恒流源的电流,使电路达到设计功率。由于器件的分散性,批量生产时每一块电源板的输出电流会略有不同,在生产线上可用此电位器来调整每块电源板的输出电流。为保证已调好电源板的稳定性,一定要选用涡轮涡杆微调电位器,并在调好后滴胶固封。
本电路的参数是按每串22个0.06W LED,共15串并联,驱动330个60毫瓦的白光LED负载设计的,每串的电流是17.8毫安,设计输出为36-80V/25OmA。如果改变LED数量,则需修正R6~R9的参数。

全电压20W日光灯开关恒流电原理图
PCB板的排列是做好产品的关键,因此PCB板的走线要按电力电子规范要求来设计。本电路可用于T10、T8日光灯管,因两管空间大小不同,二块PCB板的宽度将不同,需要降低所有零件的高度,以便放入T10、T8灯管。图5是T10恒流源板的实物照片,33个元件安装在235×25×0.8毫米的环氧单面印制板上。

T10 恒流源的实物照片
关键的设计和考虑因素
1.抗浪涌的NTC。
抗浪涌的NTC选用300Ω/0.3A热敏电阻,如改变此方案的输出,比如增大电流,则NTC的电流也要选大一些,以免过流自发热。
2.EMC滤波
在交流电源输入端,一般需要增加由共轭电感、X电容和Y电容组成的滤波器,以增加整个电路抗EMI的效果,滤除掉传导干扰信号和辐射噪声。本电路采用共轭电感加X电容器的简洁方式,主要还是出于整体成本的考虑,本着够用就好的设计原则。X电容器应标有安全认证标志和耐压AC275V字样,其真正的直流耐压在2,000V以上,外观多为橙色或蓝色。共轭电感是绕在同一个磁芯上的两个电感量相同的电感,主要用来抑制共模干扰,电感量在10~30mH范围内选取。为缩小体积和提高滤波效果,优先选用高导磁率微晶材料磁芯制作的产品,电感量应尽量选较大的值。使用二个相同电感替代一个共轭电感也是一个降低成本的方法。
3.全桥整流
全桥整流器BD1主要进行AC/DC变换,因此需要给予1.5系数的安全余量,建议选用600V/1A。
4.无源PFC
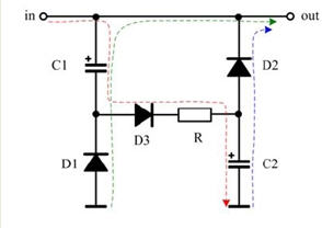
普通的桥式整流器整流后输出的电流是脉动直流,电流不连续,谐波失真大,功率因数低,因此需要增加低成本的无源功率因数补偿电路,如图6所示。这个电路叫做平衡半桥补偿电路,C1和D1组成半桥的一臂,C2和D2组成半桥的另一臂,D3和R组成充电连接通路,利用填谷原理进行补偿。滤波电容C1和C2串联,电容上的电压较高充到输入电压的一半,一旦线电压降到输入电压的一半以下,二极管D1和D2就会被正向偏置,使C1和C2开始并联放电。这样,正半周输入电流的导通角从原来的75°~105°上升到30°~150°;负半周输入电流的导通角从原来的255°~285°上升到210°~330°(图7)。与D3串联的电阻R有助于平滑输入电流尖峰,还可以通过限制流入电容C1和C2的电流来改善功率因数。采用这个电路后,系统的功率因数从0.6提高到0.89。R有浪涌缓冲和限流功能,因此不宜省略。

平衡半桥PFC电路

平衡半桥PFC电路的效果
5.降压稳压电路
给PT4107供电的电路是倍容式纹波滤波器(图8),具有电容倍增式低通滤波器和串联稳压调整器双重作用。在射极输出器的基极到地接一个电容C4,由于基极电流只有射极电流的1/(1+β), 相当于在发射极接了一个容值为(1+β)C4的大电容,这就是电容倍增式滤波器的原理。如果在基极到地之间再连接一个齐纳二极管,就是一个简单的串联稳压器,该电路能有效地消除高频开关纹波。请注意,T1要选择双极型晶体管的Vbceo500V,Ic=100mA。稳压二极管D4要用20V、1/4W任何型号的小功率稳压管。

倍容式纹波虑波器
6.镇流功率电感
镇流功率电感L3与Q1 MOS管,以及R6、R7、R8、R9并联的电流采样电阻,
相关阅读:
- ...2016/09/08 07:56·几种车用LED驱动方案的比较
- ...2015/05/13 15:33·安森美半导体高能效AC-DC LED通用照明方案拓宽您的设计选择
- ...2015/03/03 15:20·电源技巧:电流模式控制简化了对降压LED稳压器的补偿
- ...2015/02/03 13:48·AM335x 平台在全彩LED 显示墙异步控制卡的应用
- ...2014/06/30 15:41·安森美半导体中高功率照明LED驱动器方案
- ...2014/05/26 13:52·TPS92560高变压器兼容性的MR16/AR111 LED射灯驱动电源专用方案
- ...· Efinix® 全力驱动AI边缘计算,成功推出Trion™ T20 FPGA样品, 同时将产品扩展到二十万逻辑单元的T200 FPGA
- ...· 英飞凌亮相进博会,引领智慧新生活
- ...· 三电产品开发及测试研讨会北汽新能源专场成功举行
- ...· Manz亚智科技跨入半导体领域 为面板级扇出型封装提供化学湿制程、涂布及激光应用等生产设备解决方案
- ...· 中电瑞华BITRODE动力电池测试系统顺利交付北汽新能源
- ...· 中电瑞华FTF系列电池测试系统中标北京新能源汽车股份有限公司
- ...· 中电瑞华大功率高压能源反馈式负载系统成功交付中电熊猫
- ...· 中电瑞华国际在电动汽车及关键部件测评研讨会上演绎先进测评技术
- ...· 华芯微国产汽车芯片门电路系列(篇一)
- ...· 华芯微国产汽车芯片CAN收发器系列(篇一)
- ...· 华芯微国产汽车芯片DC/DC转换器系列
- ...· 华芯微国产汽车芯片DC/DC转换器系列
- ...· 华芯微国产汽车芯片运算放大器系列(篇一)
- ...· 华芯微国产汽车芯片MOSFET 驱动器系列(篇一)
- ...· 数据采集终端系统设备
- ...· 简仪科技踏上新征程








