完备的中等功率电源管理方案
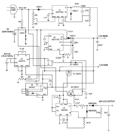
图一电路为一完备的电源管理方案,适用于PDA、手持式盘点机、POS 机等中等功率便携式设备。该方案中,输入为一不稳定的直流(墙上适配器或其它AC-DC 转换器)或2 节AA 电池,输出主电压3.3V/500mA。电路中还包括一节锂电池,当墙上适配器或主电池电压不起作用时,锂电池为RAM 提供3.3V 备用电源(3.3V RAM 点)。升压转换器U4 输出-20V/20mA, 为LCD 供电。

图一
图中,U1 为降压型开关转换器,具有较宽的输入电压范围(5V 至16V),可由墙上适配器或汽车电池提供电源;输出电压为3.4V,同时对输入电压进行检测,一旦输入电压无效时将自身控制器关断。U2 为升压型开关转换器,将两节AA 电池电压转换成3.3V 输出,输出电流500mA,转换效率达90%。U1、U2 的输出连接在一个点上(3.3V MAIN),当墙上适配器提供电源时,U2 检测到输出端电压为3.4V,高于调节电压,U2 将处于空闲模式,电源电流仅1μA。
稳压型电荷泵U3 能够将1.8V 到3.6V 范围内的输入电压转换成稳定的3.3V 输出,当系统没有加交流电和主电池时,U3 输出为RAM 提供备用电压。U3 采用μMAX 封装,一旦交流电源或主电池正常供电,U3 将保持关断模式,此时耗电仅1μA。
升压型控制器U4为LCD提供偏置电压,在该电路中被设置为负电压输出,内部电路由3.3V 主电源供电,将墙上适配器输出电压或主电池电压转换成-20V 输出,输出电流20mA,转换效率为75%。任何情况下,U4 均不采用锂电池供电。当墙上适配器有效时,Q2 断开,阻止电池电流流入电感L3;未接入墙上适配器时,Q2 导通,电池为L3 供电。
U5 为比较器,内置1.25V 基准电源。上电时,Q1 的体二极管允许U5 由3.3V MAIN 供电;启动后,U5 输出低电平,Q1导通,则3.3V RAM 由3.3V MAIN 提供,同时,U5 的低电平输出使U3 保持关端状态。当U5 检测到墙上适配器与主电池均被移掉时,产生一高电平输出唤醒U3,为3.3V RAM 提供稳定的3.3V 电压。在电源切换瞬间,U5 由V+端的旁路电容保持供电。此外,U5 的高电平输出使Q1 断开,避免3.3V RAM 馈送到3.3V MAIN.
相关阅读:
- ...· Efinix® 全力驱动AI边缘计算,成功推出Trion™ T20 FPGA样品, 同时将产品扩展到二十万逻辑单元的T200 FPGA
- ...· 英飞凌亮相进博会,引领智慧新生活
- ...· 三电产品开发及测试研讨会北汽新能源专场成功举行
- ...· Manz亚智科技跨入半导体领域 为面板级扇出型封装提供化学湿制程、涂布及激光应用等生产设备解决方案
- ...· 中电瑞华BITRODE动力电池测试系统顺利交付北汽新能源
- ...· 中电瑞华FTF系列电池测试系统中标北京新能源汽车股份有限公司
- ...· 中电瑞华大功率高压能源反馈式负载系统成功交付中电熊猫
- ...· 中电瑞华国际在电动汽车及关键部件测评研讨会上演绎先进测评技术
- ...· 华芯微国产汽车芯片门电路系列(篇一)
- ...· 华芯微国产汽车芯片CAN收发器系列(篇一)
- ...· 华芯微国产汽车芯片DC/DC转换器系列
- ...· 华芯微国产汽车芯片DC/DC转换器系列
- ...· 华芯微国产汽车芯片运算放大器系列(篇一)
- ...· 华芯微国产汽车芯片MOSFET 驱动器系列(篇一)
- ...· 数据采集终端系统设备
- ...· 简仪科技踏上新征程








