低成本、双SCART机顶盒方案,支持Kanal+
Ozan Tasci
摘要:这篇应用笔记描述了采用MAX9655视频滤波放大器构建低成本、双SCART开关解决方案。本文还介绍了如何通过添加一个模拟多路复用器提供Kanal+支持。
引言
Kanal+支持允许VCR记录由STB和TV获取的音频和视频信号,无需改变TV、STB和VCR背板的SCART连接。
本文给出的基本连接允许VCR记录由STB获取的音频和视频信号。这里介绍的Kanal+支持允许在不改变TV背板连接的条件下,VCR能够记录由TV获取的音频和视频信号。使用这种方案,TV把音频和视频信号发送回STB;待机模式下,STB再把这些信号发给VCR。
MAX9655视频SCART开关针对双SCART机顶盒的音频和视频开关电路设计,为工程师提供了一种新方案。MAX9655电流损耗为21mA (典型值)和45mA (较大值,确保规格),每个引脚具有±2kV的ESD保护,支持下一代“绿色”设计并提供可靠的机顶盒方案。
传统的机顶盒设计使用集成SCART开关或4通道、5通道视频滤波放大器。无论集成方案还是分立方案都具有一定的优势和缺陷。集成SCART开关价格昂贵,但是设计简单,具有低功耗模式,占用较小的PCB (印刷电路板)面积,而且可以抑制音频咔嗒/噼噗声。因此,集成SCART开关更适合高端机顶盒、个人录像机等应用。分立方案采用独立的视频滤波放大器,成本较低,适用于大批量生产的中、低端机顶盒。但这些低成本分立设计不具备集成SCART开关的某些优势。
Maxim的新一代视频SCART开关MAX9655和MAX9656,具有集成SCART设计的性能优势和分立方案的低成本特点。即使与分立视频滤波器相比,MAX9655的成本也极具竞争优势。它具有集成SCART方案的绝大多数优势,例如:低功耗、较小的PCB面积、极少的外围元器件等。
本应用笔记讨论了在常见的两种不同架构的机顶盒设计中如何使用MAX9655。第一种架构针对较低成本、较少元器件数量的双SCART机顶盒设计,不支持Kanal+;第二种架构通过简单地增加一片4053模拟多路复用器即可获得Kanal+支持。
SCART基本方案
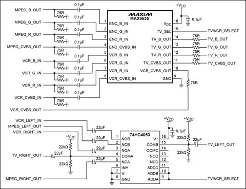
图1展示了基本应用框图。MAX9655与简单的4053型模拟多路复用器一起使用,构成双SCART机顶盒的音频/视频切换电路,图3 (下图)给出了相应的电路原理图。

图1. 利用MAX9655和4053构建的双SCART原理框图
来自MPEG解码器和VCR SCART的CVBS和RGB信号通过交流耦合送入MAX9655的输入端。根据由软件控制的TV/VCR_SELECT引脚,MAX9655选择一组视频信号送入TV SCART。当TV/VCR_SELECT引脚为低电平时,选择MPEG解码器的CVBS和RGB输出,经过滤波和2V/V固定增益放大后,发送到TV SCART;当TV/VCR_SELECT控制引脚为高电平时,选择来自VCR SCART的CVBS和RGB信号,经过滤波放大,发送到TV SCART。
4053模拟多路复用器用于选择相应的音频信号。把MPEG解码器的音频输出与来自VCR SCART的音频信号连接到4053模拟多路复用器。当TV/VCR_SELECT控制引脚为低电平时,MPEG解码器的音频输出送至TV SCART;当该控制引脚为高电平时,来自VCR SCART的音频信号送入TV SCART。4053模拟多路复用器必须由适当的VCC供电,以便通过2VRMS的音频信号。在模拟开关前、后,输入音频信号需要偏置到适当电平,以便无失真地通过音频信号的负电压部分。经过开关切换的音频信号送入TV SCART之前必须采用交流耦合。
MPEG解码器输出的CVBS和音频信号始终发送到VCR SCART,不处理来自TV SCART的CVBS和音频信号。
图1设计在基本双SCART机顶盒中能够很好地运行。MAX9655处理视频信号所需的切换、滤波和放大,4053模拟多路复用器则作为音频开关。4053 IC的一路模拟开关没有使用,可以用作其它功能,例如切换第8和第16引脚的信号。当机顶盒进入或退出待机模式时,TV/VCR_SELECT控制引脚的状态将发生改变。
可选择的Kanal+支持
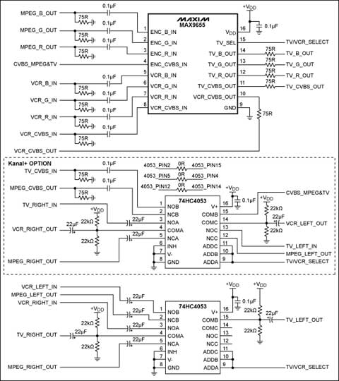
由图2所示,通过增加虚线框内电路,提供Kanal+支持。图4给出了相应的电路原理图。

图2. 在图1 MAX9655设计中增加第二个4053多路复用器,提供Kanal+支持
为提供Kanal+支持,需要使用第二片4053多路复用器。图2中,第二片4053 (底部)中的一路模拟开关用于选择MPEG解码器的CVBS输出和来自TV SCART的CVBS输入。这个开关输出在图2中标记为CVBS_MPEG&TV,作用到MAX9655的输入端,第4引脚。
机顶盒不在待机模式时,TV/VCR_SELECT控制引脚置为低电平。这时,4053可以选择MPEG_CVBS_OUT,并把该信号送入MAX9655。由于TV/VCR_SELECT为低电平,MAX9655同样选择该信号,并经过滤波放大后将其发送到TV SCART和VCR SCART。结果是将MPEG解码器输出的CVBS和RGB视频信号同时送到TV SCART和VCR SCART—这也正是机顶盒正常工作所要求的结果。
当机顶盒处于待机模式时,TV/VCR_SELECT置为高电平。该模式下,下方的4053选择TV_CVBS_IN并将其送入MAX9655。由于TV/VCR_SELECT置为高电平,TV_CVBS_IN只能送入VCR_CVBS_OUT;TV_CVBS_OUT连接到VCR_CVBS_IN,这也正是Kanal+所要求的。
结论
图1和图2所示设计说明了MAX9655在双SCART机顶盒中的应用。如果不需要Kanal+支持,推荐使用图1电路;需要Kanal+支持时,可使用图2电路。根据对Kanal+的要求,可以安装额外的4053或3个跳线。
由于输入同步头钳位电路建立内部直流电平,所有连接到MAX9655的视频输入必须采用交流耦合。唯一例外是在Kanal+架构中的CVBS_MPEG&TV输入信号。由于需要对所选择的视频加直流偏置,使其无失真地通过外部4053模拟开关,由MAX9655的输入同步头钳位电路建立的直流电平可以用于此目的。CVBS_MPEG&TV可以直流耦合输入到MAX9655,表1所示的TV_CVBS_IN和MPEG_CVBS_OUT视频输入必须交流耦合至4053。

表1. 对应于TV/VCR_SELECT的SCART输出
两种方案均采用了针对双SCART机顶盒设计的MAX9655低功耗视频开关、滤波放大器,MAX9655采用3.3V单电源供电,其21mA (典型值)和45mA (较大值,确保规格)电流损耗能够为下一代“绿色”机顶盒设计提供更低的待机功耗。该器件具有±2kV的ESD保护,实际应用中安装75Ω电阻能够达到更好的效果。

图3. 图1所示基本双SCART开关的电路原理图

图4. 图2中支持Kanal+双SCART开关的电路原理图
相关阅读:
- ...2012/08/22 10:42·安森美半导体针对充电电池的低成本CCR充电解决方案
- ...2012/04/25 11:34·低成本隔离式3.3V到5V DC/DC转换器的分立设计
- ...2011/12/02 16:57·ATmega16A低成本的GPS接收系统设计[图]
- ...2011/11/07 15:10·ATmega16A低成本的GPS接收系统设计
- ...2011/07/20 09:53·电火花线切割制作低成本高品质衬底
- ...2011/06/03 11:19·电源设计小贴士 15:低成本、高性能 LED 驱动器
- ...· Efinix® 全力驱动AI边缘计算,成功推出Trion™ T20 FPGA样品, 同时将产品扩展到二十万逻辑单元的T200 FPGA
- ...· 英飞凌亮相进博会,引领智慧新生活
- ...· 三电产品开发及测试研讨会北汽新能源专场成功举行
- ...· Manz亚智科技跨入半导体领域 为面板级扇出型封装提供化学湿制程、涂布及激光应用等生产设备解决方案
- ...· 中电瑞华BITRODE动力电池测试系统顺利交付北汽新能源
- ...· 中电瑞华FTF系列电池测试系统中标北京新能源汽车股份有限公司
- ...· 中电瑞华大功率高压能源反馈式负载系统成功交付中电熊猫
- ...· 中电瑞华国际在电动汽车及关键部件测评研讨会上演绎先进测评技术
- ...· 华芯微国产汽车芯片门电路系列(篇一)
- ...· 华芯微国产汽车芯片CAN收发器系列(篇一)
- ...· 华芯微国产汽车芯片DC/DC转换器系列
- ...· 华芯微国产汽车芯片DC/DC转换器系列
- ...· 华芯微国产汽车芯片运算放大器系列(篇一)
- ...· 华芯微国产汽车芯片MOSFET 驱动器系列(篇一)
- ...· 数据采集终端系统设备
- ...· 简仪科技踏上新征程








