提高开关电源待机效率的方法
摘要:分析了开关电源待机损耗的构成,介绍了几种提高开关电源待机效率的方法。 叙词:开关电源,待机效率,降频 ,可控脉冲模式 Abstract:The composing of standby power loss of switch mode power supply(SMPS) is analyzed, and several ways to improve standby efficiency of SMPS are introduced. Keyword:SMPS, standby efficiency, reducing frequency, burst mode
1 引言
随着能源效率和环保的日益重要,人们对开关电源待机效率期望越来越高,客户要求电源制造商提供的电源产品能满足BLUE ANGEL,ENERGY STAR, ENERGY 2000等绿色能源标准,而欧盟对开关电源的要求是:到2005年,额定功率为0.3W~15W,15W~50W和50W~75W的开关电源,待机功耗需分别小于0.3W,0.5W和0.75W。而目前大多数开关电源由额定负载转入轻载和待机状态时,电源效率急剧下降,待机效率不能满足要求。这就给电源设计工程师们提出了新的挑战。
2 开关电源功耗分析
要减小开关电源待机损耗,提高待机效率,首先要分析开关电源损耗的构成。以反激式电源为例,其工作损耗主要表现为:MOSFET导通损耗
,MOSFET寄生电容损耗
,开关交叠损耗,PWM控制器及其启动电阻损耗,输出整流管损耗,箝位保护电路损耗,反馈电路损耗等。其中前三个损耗与频率成正比关系,即与单位时间内器件开关次数成正比。
在待机状态,主电路电流较小,MOSFET导通时间ton很小,电路工作在DCM模式,故相关的导通损耗,次级整流管损耗等较小,此时损耗主要由寄生电容损耗和开关交叠损耗和启动电阻损耗构成。
3 提高待机效率的方法
根据损耗分析可知,切断启动电阻,降低开关频率,减小开关次数可减小待机损耗,提高待机效率。具体的方法有:降低时钟频率;由高频工作模式切换至低频工作模式,如准谐振模式(Quasi Resonant,QR)切换至脉宽调制(Pulse Width Modulation,PWM), 脉宽调制切换至脉冲频率调制(Pulse Frequency Modulation, PFM);可控脉冲模式(Burst Mode)。
3.1 切断启动电阻
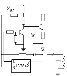
对于反激式电源,启动后控制芯片由辅助绕组供电,启动电阻上压降为300V左右。设启动电阻取值为47kΩ,消耗功率将近2W。要改善待机效率,必须在启动后将该电阻通道切断。TOPSWITCH,ICE2DS02G内部设有专门的启动电路,可在启动后关闭该电阻。若控制器没有专门启动电路,也可在启动电阻串接电容,其启动后的损耗可逐渐下降至零。缺点是电源不能自重启,只有断开输入电压,使电容放电后才能再次启动电路。而图1所示的启动电路,则可避免以上问题,而且该电路功耗仅为0.03W。不过电路增加了复杂度和成本。

图1 UC3842反激式电源启动电路
3.2 降低时钟频率
时钟频率可平滑下降或突降。平滑下降就是当反馈量超过某一阈值,通过特定模块,实现时钟频率的线性下降。POWER公司的TOPSwitch-GX和SG公司的SG6848芯片内置了这样的模块,能根据负载大小调节频率,图2所示是SG6848时钟频率与其反馈电流的关系。

图2 SG6848反馈电流与时钟频率的关系
突降实现方法如图3:以UCC3895为例,当电源处于正常负载状态时,Q1导通,其时钟周期为:
当电源进入待机状态时,Q1关闭,时钟周期增大为
即开关频率减小。开关损耗降为降频前的
(小于1)倍。L5991和Infineon公司的CoolSet F2系列已经集成了该功能。

3.3 切换工作模式
3.3.1 QR→PWM
对于工作在高频工作模式的开关电源,在待机时切换至低频工作模式可减小待机损耗。例如,对于准谐振式开关电源(工作频率为几百kHz到几MHz),可在待机时切换至低频的脉宽调制控制模式PWM(几十kHz)。
IRIS40xx芯片就是通过QR与PWM切换来提高待机效率的。图4是IRIS4015构成的反激式开关电源,重载时,辅助绕组电压大,R1分压大于0.6V,Q1导通,辅助准谐振信号经过D1,D2,R3,C2构成的延时电路到达IRIS4015的FB脚,内部比较器对该信号进行比较,电路工作在准谐振模式。当电源处于轻载和待机时候,辅助绕组电压较小,Q1关断,谐振信号不能传输至FB端,FB电压小于芯片内部的一个门限电压,不能触发准谐振模式,电路则工作在更低频的脉宽调制控制模式。

图4 由IRIS4015构成的QR/PWM反激式电源电路
3.3.2 PWM→PFM
对于额定功率时工作在PWM模式的开关电源,,也可以通过切换至PFM模式提高待机效率,即固定开通时间,调节关断时间,负载越低,关断时间越长,工作频率也越低。图5是采用NS公司的LM2618控制的Buck转换器电路和分别采用PWM和PFM控制方法的效率比较曲线。由图可见,在轻载时采用PFM模式的电源效率明显大于采用PWM模式时的效率,且负载越低,PFM效率优势越明显。将待机信号加在其PW/
引脚上,在额定负载条件下,该引脚为高电平,电路工作在PWM模式,当负载低于某个阈值时,该引脚被拉为低电平,电路工作在PFM模式。实现PWM和PFM的切换,也就提高了轻载和待机状态时的电源效率。
通过降低时钟频率和切换工作模式实现降低待机工作频率,提高待机效率,可保持控制器一直在运作,在整个负载范围中,输出都能被妥善的调节。即使负载从零激增至满负载的情况下,能够快速反应,反之亦然。输出电压降和过冲值都保持在允许范围内。

3.4 可控脉冲模式(Burst Mode)
可控脉冲模式,也可称为跳周期控制模式(Skip Cycle Mode)是指当处于轻载或待机条件时,由周期比PWM控制器时钟周期大的信号控制电路某一环节,使得PWM的输出脉冲周期性的有效或失效,如图6所示。这样即可实现恒定频率下通过减小开关次数,增大占空比来提高轻载和待机的效率。该信号可以加在反馈通道,PWM信号输出通道,PWM芯片的使能引脚(如LM2618,L6565)或者是芯片内部模块(如NCP1200,FSD200,L6565和TinySwitch系列芯片)。

图6 Burst Mode控制信号与驱动信号图
NCP1200的内部跳周期模块结构见图7,当反馈检测脚FB的电压低于1.2V(该值可编程)时,跳周期比较器控制Q触发器,使输出关闭若干时钟周期,也即跳过若干个周期,负载越轻,跳过的周期也越多。为免音频噪音,只有在峰值电流降至某个设定值时,跳周期模式才有效。

图7 NCP1200跳周期模块结构
而FSD200则是通过控制内部驱动器实现可控脉冲模式,即将
脚的反馈电压与0.6V/0.5V迟滞比较器比较,由比较结果控制门极驱动输出,其结构可见图8。我们可根据此原理用分立元件实现普通芯片的Burst Mode功能,即检测次级电压判断电源是否处于待机状态,通过迟滞比较器,控制芯片输出,电路如图9所示。

控制反馈通道是实现一般PWM控制器的可控脉冲模式的方法之一。其电路可见图10,
是
反馈信号,当Burst Signal为低电平时,Q1关断,
,电路正常工作,当Burst Signal为低电平时,Q1导通,R1被短路,流过Q1,
被拉高至
-0.6V,反馈信号
不能反映在
上,控制器因此输出低电平。
另外对于有使能脚的PWM控制器,如L6565等,用可控脉冲信号控制使能脚使控制芯片有效或失效,也可以实现Burst Mode,上述Burst Signal可由图1中所示的迟滞比较器产生。

图10 控制反馈通道的Burst Mode
4 存在的问题
以上介绍的降频和Burst Mode方法在提高待机效率的同时,也带来一些问题,首先是频率降低导致输出电压纹波的增加,其次如果频率降至20kHz以内,可能有音频噪音。而在Burst Mode的OFF时期内,如果负载激增,输出电压会大大降低,如果输出电容不够大,电压甚至可
相关阅读:
- ...· Efinix® 全力驱动AI边缘计算,成功推出Trion™ T20 FPGA样品, 同时将产品扩展到二十万逻辑单元的T200 FPGA
- ...· 英飞凌亮相进博会,引领智慧新生活
- ...· 三电产品开发及测试研讨会北汽新能源专场成功举行
- ...· Manz亚智科技跨入半导体领域 为面板级扇出型封装提供化学湿制程、涂布及激光应用等生产设备解决方案
- ...· 中电瑞华BITRODE动力电池测试系统顺利交付北汽新能源
- ...· 中电瑞华FTF系列电池测试系统中标北京新能源汽车股份有限公司
- ...· 中电瑞华大功率高压能源反馈式负载系统成功交付中电熊猫
- ...· 中电瑞华国际在电动汽车及关键部件测评研讨会上演绎先进测评技术
- ...· 华芯微国产汽车芯片门电路系列(篇一)
- ...· 华芯微国产汽车芯片CAN收发器系列(篇一)
- ...· 华芯微国产汽车芯片DC/DC转换器系列
- ...· 华芯微国产汽车芯片DC/DC转换器系列
- ...· 华芯微国产汽车芯片运算放大器系列(篇一)
- ...· 华芯微国产汽车芯片MOSFET 驱动器系列(篇一)
- ...· 数据采集终端系统设备
- ...· 简仪科技踏上新征程








