升级面板表的输入范围和精度
Fons Janssen, 高级技术成员
摘要:利用本文介绍的方法可以轻松地将典型伏特计IC的输入电压范围加倍(扩展至±400mV),并将测试精度提高到4¾位(±40000计数)。
典型伏特计IC的输入电压范围为±200mV,具有3½或4½位精度。Maxim提供的Σ-Δ面板表IC (MAX1499)也不例外,但在设计中可以轻松地扩展输入电压范围(至±400mV),并使测量精度提高到4¾位(±40000计数)。
除了内部20位ADC和7段显示驱动器外,MAX1499还集成了SPI™接口,该接口用于访问ADC的转换结果并控制整个LED显示。微控制器可以利用该接口方便地读取ADC结果,控制需要显示的内容。
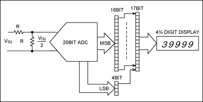
利用简单的电阻分压器将输入信号减半,即可在保持IC ±200mV输入电压范围的前提下使得电路的输入范围扩充一倍。这种情况下,ADC的实际输入为VIN/2,而不是VIN。对转换结果简单地左移一位(数字域乘2),即可补偿这个“1/2”系数。
ADC的分辨率为20位,足以支持4¾位的精度(典型条件下,利用20位分辨率中的16位,IC即可提供4½位的精度)。图1给出了重新排列的数据,第17位用于填充乘2后的空缺。
电阻分压器会增大增益误差,需要选择高精度电阻以满足设计规格的要求。

图1. 通过缩减输入信号使面板表电路的输入电压范围加倍,使用更多的转换位数可以获得更高精度。
面板表IC内部的7段显示驱动器用于驱动共阴极LED显示器,通过复用电路每次驱动一位。由于驱动器优化于4½位显示驱动,这意味着第一个位置(较高有效位)只能显示“半位”,+1或-1 (图2)。

图2. 七段显示器,包括半位数据(左侧)和完整的“1”位数据(右侧)。
信号通过SPI接口可以分别控制所有段显示器的通、断,但第1位除外。B段和C段(构成“1”)只能同时接通或关闭;A段、F段和D段(构成“+”)同样只能同时接通或关闭;当A段、F段、D段关闭时,G段(构成“-”)接通,反之亦然。为了将设计升级到4¾位,必须保证第1位能够显示“1”、“2”、“3”或空白(图3)。从图中可以看出,F段从未使用,所以只需要控制六段。

图3. ¾位显示的四种可能状态,F段始终关闭。
如果用一个完整的“1位”显示器替代½位显示器,需要互换F段和G段的控制线,但当显示“1”和“+”时,除F段外需要点亮所有段(图4)。½位显示器没有使用E段,左侧连接默认为接通状态。增加由低成本NPN晶体管构成的开关,从而使微控制器可以通过几个GPIO引脚控制各个段的通、断,显示空白、“1”、“2”或“3”,完整电路如图5所示。

图4. 将½位显示器转换成完整的“1位”显示器,交换F段和G段控制线。

图5. 完整的4¾位面板表电路
转换完成信号(/EOC)提供微控制器的外部中断,出现新的数值时,微控制器通过SPI接口读取数据并将其乘2。利用SPI口在显示寄存器设置正确的数值,决定点亮(接通)哪一段。外部晶体管开关在GPIO的控制下创建所需要的字符显示。
在第一位之前可以利用一个矩形LED作为减号,受控于不使用的小数点控制线。该应用可以选择任何带有外部中断、SPI接口和足够的GPIO的微控制器。测试装置包括MAX1499面板驱动器IC (安装在显示板上),由低功耗RISC微控制器(MAXQ610,安装在评估板上)控制(图6),可下载系统固件。

图6. 利用RISC微控制器(MAXQ610-KIT)、定制显示板和面板表IC (MAX1499)实现图5所示系统
相关阅读:
- ...· Efinix® 全力驱动AI边缘计算,成功推出Trion™ T20 FPGA样品, 同时将产品扩展到二十万逻辑单元的T200 FPGA
- ...· 英飞凌亮相进博会,引领智慧新生活
- ...· 三电产品开发及测试研讨会北汽新能源专场成功举行
- ...· Manz亚智科技跨入半导体领域 为面板级扇出型封装提供化学湿制程、涂布及激光应用等生产设备解决方案
- ...· 中电瑞华BITRODE动力电池测试系统顺利交付北汽新能源
- ...· 中电瑞华FTF系列电池测试系统中标北京新能源汽车股份有限公司
- ...· 中电瑞华大功率高压能源反馈式负载系统成功交付中电熊猫
- ...· 中电瑞华国际在电动汽车及关键部件测评研讨会上演绎先进测评技术
- ...· 华芯微国产汽车芯片门电路系列(篇一)
- ...· 华芯微国产汽车芯片CAN收发器系列(篇一)
- ...· 华芯微国产汽车芯片DC/DC转换器系列
- ...· 华芯微国产汽车芯片DC/DC转换器系列
- ...· 华芯微国产汽车芯片运算放大器系列(篇一)
- ...· 华芯微国产汽车芯片MOSFET 驱动器系列(篇一)
- ...· 数据采集终端系统设备
- ...· 简仪科技踏上新征程








