为便携式 MFF 显示器选择较佳的 LED 背光驱动器
作者:Jeff Falin,德州仪器 (TI) 工厂应用工程师
白光 LED 将迅速取代冷阴极灯管 (CCFL),用于大尺寸(可达 19 英寸)媒体 (MFF) 显示器的 LCD 背(边或侧)照明。这些显示器的背光可能需要多达 100个 LED。为了在不牺牲显示亮度质量的情况下延长电池使用寿命,找出较佳的 LED 并联和串联以及亮度调节方法具有一定的挑战性。本文将指导您如何为 MFF 显示器挑选较佳的白光 LED 驱动器,以便获得较低总成本下的高效率(长电池使用寿命)和较佳亮度。
为什么 WLED 将取代 MFF 显示器中的 CCFL?
淘汰 CCFL 始于欧盟的 RoHS 计划,该计划旨在争取消除消费类电子产品中存在的几种有害物质,其中就包括荧光灯管的主要成份水银。然而相比 CCFL,WLED 还拥有下列一些优势:
- 固态器件
- 定向光源
- 超低压工作
- 亮度调节范围更大、更容易
- 亮度调节更线性
WLED 定向照明给显示器带来更小的光线散布和光导,从而制造出更薄的平板显示器和笔记本电脑。
选择 WLED 驱动器拓扑结构
当电流流过时,WLED 的亮度会呈线性变化。为了获得较佳的 WLED 电流精度以及每个 WLED 串统一的 WLED 亮度,LED 驱动器应该调节电压通过 LED 时的电流而非调节 LED 两端的电压。图 1 显示了如何轻松地将任何一个可调节 DC/DC 转换器重新配置为一个恒定电流源来驱动多个串联的 WLED。只要其输出大于 LED 正向电压之和,电压 (VLED) 就会下降。

图 1 可调节输出DC/DC转换器提供了流经 WLED 串的恒定电流
通过调节 VSENSE(电流感应电阻器 (RSENSE) 两端的电压而非输出电压 (VO)),驱动器实质上就成为一个恒定电流源——从而使其输出电压 (VO) 可以随电流和温度进行 VLED 自我调节变化。WLED 具有从 3.0V 到 4.0V 范围的压降,该压降变化与 LED 电流大小成正比例关系,而与温度高低成反比例关系。因此,WLED 驱动器的输出电压必须能够至少达到 WLED 串的电压总和,同时在每个 WLED 串较大 LED 电流时 VLED 压降也达到较大。
尽管大多数背光应用的输入电压都在 3.6V~48V DC 范围内,但是多数 MFF LCD 背光驱动器却使用 7.2V~21V 叠层锂离子 (Li-Ion) 电池来驱动 24~100 个LED。各种 MFF 面板尺寸的 WLED 数目不尽相同,12.1 英寸面板为 36 个 WLED,而 17 英寸面板则为 72 个 WLED。
在一个使用图 1 所示配置的单个 WLED 串中对多达 72 个 LED 进行调节,会导致高达 72 x 4V = 288 V 的电压。因此,大多数 LED 背光驱动器均基于升压转换器内核。高压、单电感升压转换器较为昂贵,并且难以设计,这是因为它们要求:
- 更高的额定电压,以及由此带来的更大、更昂贵的功率 FET,相应的额定二极管和输出电容
- 一个具有 87.5%–96% 占空比(D=Vout/(Vout+Vin))的升压控制器,假设开关频率为 1MHz,则其可带来 875–960ns 的开启时间 (tON),以及较难控制的 40ns 较短关闭时间
- 一个高成本、占用空间的绝缘层,以防止电弧击穿底板 (chassis)
- 高压处理和测试程序
- 更高的消费类电子产品安全等级
- 由于更高的共模电流,它们还会产生更多电磁干扰 (EMI),计算方法为 ICM = CPAR*VOUT*fSW,其中,CPAR 为漏极到接地的寄生板电容,fSW 为升压转换器开关频率。
转而采用反向拓扑结构而非基于电感的升压拓扑结构,您虽然可以使用一个标准、低成本的升压控制器 IC,但是用户定制设计的变压器会更加复杂。因此,为了维持 IC 和配套无源组件的低成本,集成 FET 的升压驱动器的厂商们宁愿将驱动器输出限定在 60V 以下。由此类升压转换器驱动的一个 LED 串可能会被限定在 20 个 LED 以下,这几乎无法驱动较大的 MFF 面板。因此,图 1 所示的转换器具有几个并联的 m 串,每个串都有 n 个 LED 和 10 Ohm 的稳流电阻器,以帮助均衡流经每一个串的电流和每个串两端的电压。流经 WLED 的电流和 WLED 两端的电压越接近,则每一个串的颜色和亮度就会越统一。
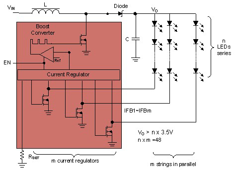
对图 1 所示稳流电阻器进行大小排列以在各串之间进行理想的匹配是很困难的。一种较好的方法是将升压转换器和多个电流调节器(电流阱)结合,这样便可真正地将流经各串的相同电流导入一个单驱动器 IC 中(请参见图 2)。驱动器感应各个 VIFBx 引脚上的压降,并利用升压转换器来提供刚好足够的输出功率,以保持较低的 VIFBx 引脚电压 (VIFBmin) 高于其电流调节器的较大压降电压。

图 2 具有集成电流阱的升压转换器背光驱动器
那么,接下来的问题就是如何选择 n 和 m 了?
优化每个 m 串 n 串 LED 的数目
- nMAX X VLEDmin < 升压转换器的较大输出电压水平。
- nMIN x VLEDmin > VINmax
- m 决定亮度要求,并设定转换器的较大负载电流 。
测得数据证明,在每个串相同输入电压和 ILED 条件下,一个 m=6 且 n=12 (即12S6P)配置的驱动器比 9S8P 配置的相同转换器更加高效。为什么这么说呢?详细的升压转换器和电流调节器效率分析报告并不在本文的讨论范围内,但是从下面的内容我们也可以直观地找到这个问题的答案。
升压转换器输出功率增加的同时,其损耗也随之增加。升压转换器输出功率随 VOUT 和/或输出负载的上升而增加。升压转换器输出电压随 n 串联 LED 数目的增加而上升,同时输出负载随 m 串数目的增加(或者每个串电流的升高)而上升。电流调节器的损耗为每个串的电流乘以每个电流反馈引脚的电压 IFBx。很显然,在每个串电流升高或大 VIFB 调节电压条件下,调节器损耗较高。正如前面提及的那样,图 2 所示驱动器对升压转换器进行调节,这样输出电压仅升至该串(拥有较大 VLEDs 加 VIFBmin 的 WLED)VLEDs 的和。由于余下串(具有更低压降)的 LED 致使剩余 VIFB 的电压较高,因此余下的电流调节器便浪费了功率。
以统计方法来看,存在一个 m 串、每个串 n 个 LED 的较佳数字,以较小化功耗的同时较大化驱动器效率。结合 LED 压降的平均值、差值和标准偏差来对电流调节器的损耗进行统计分析,其表明电流调节器损耗与 m 串数目呈正比例关系,但是只有在每个串 n 个 LED 数量的平方根时才成立。
图 3 显示了特定驱动器中升压转换器和电流调节器效率模型的结果。

图 3 Vin=11V、VIFBx=0.4V 及 ILED=20mA 时 LED 总数量与总驱动器损耗之间的对比关系
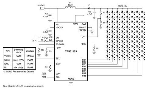
该结果随 VIN、ILED 和 VIFB 发生些许变化,同时很显然大多数 MFF 面板的背光均会在 4 如图 4 所示,调节一个 WLED 串亮度的较简单方法是在 D 占空比的固定频率上向图 1 所示驱动器启动引脚施加一个脉宽调制 (PWM) 信号。该平均 WLED 电流为 PWM 信号的占空比乘以 LED 较大电流 ILED-max,即 ILED-avg = D x ILED-max。由于流经 LED 的较大电流相同,因此 PWM 调光会带来一个非常线性的亮度变化。另外,由于 LED 的发射光谱随其压降大小而变化,而该压降又随 ILED 而变化,因此 PWM 调节过程中 LED 背光的色度、色彩和色调(即实际“白”的程度)均十分出色。 然而,使用 PWM 调节时陶瓷输出电容的压电属性会带来问题。特别是,这种电容在可听范围 (20Hz–20kHz) PWM信号频率充电和放电时,它便会振动,人耳可听到电容和 PCB 运行,声音如同振铃或嗡嗡声。振动大小与电压振幅和陶瓷电容封装尺寸成正比例关系。缩小电容封装尺寸可减弱这种振铃。并联串 m 更多,而每个串的 LED 数量 n 更少,从而降低电容的电压,这样便可降低这种振铃的大小。另外,较新的带电流调节器的一些驱动器只需在 PWM 调节时关闭电流调节器和升压转换器,便可防止陶瓷输出电容在 PWM 调光期间完全放电。 较初,为了避免陶瓷电容振铃,许多面板制造商都改用模拟调光,如图 4 所示。模拟调光实质上并未产生输出纹波,这是由于一个外部信号对图 1 中的升压转换器或图 2 所示调节点的电流调节进行调节,进而对流经 LED 的 DC 电流电平进行调节。与 PWM 调光方法相比,模拟调光方法的其他好处还包括两个:更高的电气效率,这是因为 ILED 压降时升压转换器输出电压=VLEDs 压降之和;以及更高的光电效率,这就是说相同电力消耗产生的流明更多。 深度调光时,模拟调光方法存在一些电流精度的问题,这是因为误差信号放大器失调电压致使 VREF 电压或电流吸收器电压太小而无法精确地控制。另外,亮度线性和色度都不如使用 PWM 调光方法获得的效果好,特别是进行深度调光时。因此,较佳的解决方案是将 PWM 调光方法和模拟调光方法相结合,其被称为混合模式调光,如图 4 所示。 图 4 调光方法 混合模式调光方法使用输入 PWM 信号来实施模拟调光,直到 LED 电流快要降至足以较大影响 LED 精度、线性和色度为止。在图 4 中,当 PWM 信号占空比 (D) 为 12.5% 时形成上述电流。该较小电流电平条件下,电路开始使用真正的 PWM 调光方法。然而,与在输入 PWM 信号占空比时开启和关闭电流吸收器的较大 LED 电流不一样,该电路将输入占空比转化为适当值,以用于模拟调光获得的较小 WLED 电流电平。 图 5 使用 TPS61195 的背光驱动器实例 例如,TPS61195 能够驱动多达 m = 8 个串(并联),每组 n = 10+WLED(串联
调光


相关阅读:
- ...2010/03/29 15:57·为便携式设备增加无线功能的设计策略
- ...2009/09/04 09:12·先进音频处理解决方案为便携通信设备提供Hi-Fi音频质量
- ...2009/08/05 13:31·为便携应用选择适合的集成EMI滤波及ESD保护方案
- ...· Efinix® 全力驱动AI边缘计算,成功推出Trion™ T20 FPGA样品, 同时将产品扩展到二十万逻辑单元的T200 FPGA
- ...· 英飞凌亮相进博会,引领智慧新生活
- ...· 三电产品开发及测试研讨会北汽新能源专场成功举行
- ...· Manz亚智科技跨入半导体领域 为面板级扇出型封装提供化学湿制程、涂布及激光应用等生产设备解决方案
- ...· 中电瑞华BITRODE动力电池测试系统顺利交付北汽新能源
- ...· 中电瑞华FTF系列电池测试系统中标北京新能源汽车股份有限公司
- ...· 中电瑞华大功率高压能源反馈式负载系统成功交付中电熊猫
- ...· 中电瑞华国际在电动汽车及关键部件测评研讨会上演绎先进测评技术
- ...· 华芯微国产汽车芯片门电路系列(篇一)
- ...· 华芯微国产汽车芯片CAN收发器系列(篇一)
- ...· 华芯微国产汽车芯片DC/DC转换器系列
- ...· 华芯微国产汽车芯片DC/DC转换器系列
- ...· 华芯微国产汽车芯片运算放大器系列(篇一)
- ...· 华芯微国产汽车芯片MOSFET 驱动器系列(篇一)
- ...· 数据采集终端系统设备
- ...· 简仪科技踏上新征程








