适宜在汽车应用中使用大温差应用的电源管理
作者:LK Wong,美国国家半导体高级应用工程师
TK Man,美国国家半导体产品应用工程师
在宽温度范围工作的汽车电子设备对电源管理的要求比其在一般应用环境中更加严格。汽车引擎附近的温度通常都会超过100℃。而在冬天,户外气温可低至零下三四十度。在户外低温中停泊一段时间后的汽车要重新启动,电子元件必须保证可以在低温中启动运行。即使一些电源转换器在室温中可以高效运行,却未必经得起大温差的考验。本文将探讨大温差应用中的电源管理问题,从而为设计者们提供一些设计参考思路。
启动
一般芯片均采用MOSFET或BJT电路。由于MOSFET的阈值电压(threshold voltage)和BJT的VBE正向偏置电压都会随温度下降而上升,芯片可能因此不能在低温情况下启动。所以,一些标明工作温度不低于零下二十五度的芯片或许不能在零下三四十度的环境中启动,从而使整个应用在低温环境中失效。需注意的是,在低温环境中运行和在低温环境中启动是不同的。因为在运行中,个别元件会产生热能,从而提高工作环境及芯片的温度,特别是内置MOSFET的电源管理芯片,在运行时内部温度可以比周围环境高十至三十度,所以能在低温环境中运行的电子元件,不一定能在低温环境中启动。

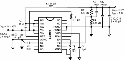
图1. LM3102原理图。
基准电压差异
电源管理电路中较重要的是提供稳定准确的输出电压,这取决于基准电压的稳定性。基准电压在大温差工作环境中的表现,直接决定输出电压的准确程度。现在,电源管理芯片大多采用带隙基准电压(bandgap reference),以减少温度对基准电压的影响。不过温度变化太大时,其影响仍会存在。如果电子元件中有其他电路对电压敏感,例如有些芯片会因供电不足而关机,便要注意电压受温度差异的影响。有些电源管理芯片的基准电压,在室温及高低温时的误差值可达一倍(如由±1.5%增至±3%),但是高性能的电源管理芯片可以在-40℃至125℃中,将基准电压的误差控制在±2%之内。

图2. LM3102效率。

图3. LM3102输出电压误差。
散热处理
大部分芯片均不能在超过约165℃时运行,否则将对芯片产生永久性损坏。很多芯片都内置过热保护电路,在芯片内部过热时停止工作。散热问题对内置MOSFET的电源管理芯片尤其重要,因为这类芯片在工作中会产生热量,令芯片温度比四周环境温度更高。所以在高温应用中,电源设计师必须考虑散热问题。电子元件在产品中的位置、通风等固然与散热有关,但较重要的是芯片的散热能力及效率。芯片的散热能力取决于制造工艺、封装、引脚数等。若封装的底部有散热连接点(exposed pad),可使用电路板的铜面帮助散热。值得一提的是,内置MOSFET的电阻值(RDS(on))会随温度上升,损耗也会增加;但如果散热很好,就可以降低芯片的温度,同时提高效率。很多芯片规格表中都附上qJC参数(单位为℃ /W),其数值越低,芯片的散热能力越高。举例说:
qJC=20℃ /W
输出功率=7W
效率=70%
芯片消耗功率=7W÷70%7W=3W
芯片上升温度=60℃
在这个例子中,假设过热保护电路在165℃时运行,这个元件可工作的较高环境温度为105℃(就是165℃-60℃)。如果散热能力(即qJC更低)或效率更高,可工作的较高环境温度便可以更高。
元件变化
电感和电容是开关电源电路中的主要元件,也极易受温度的影响,一些性能不高、或并非用于低温及高温的电感和电容,其电感和电容值的误差可以高达五成至九成。此外,电感的电流饱和值(saturation current)会随温度升高而下降,加上电感值误差可以使电流的峰值比预期的高,高温环境会增加电感饱和的机会。电容值减少也直接增加输出电压的纹波及噪声。电感和电容值的改变,可以使控制回路的极点(pole)和零点(zero)移位,导致在室温时运行良好的补偿电路可能在大温差时出现不稳定现象。
芯片建议
要设计可以在大温差工作环境中运行的电源管理电路,首先需选择一些能在大温差中工作的芯片。例如可以在-40℃至125℃中运行的芯片,以保证可在高温及低温中正常启动及运行,并能输出准确的电压。此外,也要选择散热能力好的芯片。在汽车中做电源设计,更要顾全输入电压的波幅。虽然汽车电池一般是12V或24V,但它在波动时可以高达40V。所以在选择可供汽车应用的电源管理芯片时,必须要注意它们的输入电压上限应超过40V。
一些高性能的芯片,如LM3102、LM5576等都可以在-40℃至125℃中运行,基准电压误差低于±2%,输入电压上限也超过40V,qJC分别是6.5℃ /W及6℃ /W,散热能力很强,符合汽车应用的要求。LM5576是PWM运行,较大输出电流为3A,较低输出电压为1.23V。如果需要更低的输出电压,选择LM3102(图1)更为合适,因其同步整流控制电路更利于高效率的低输出电压(可低至0.8V)。而且LM3102使用固定导通时间控制方法,不需要补偿电路,可以降低因温度变化带来的元件变化问题,非常适宜在汽车应用中使用。
相关阅读:
- ...· Efinix® 全力驱动AI边缘计算,成功推出Trion™ T20 FPGA样品, 同时将产品扩展到二十万逻辑单元的T200 FPGA
- ...· 英飞凌亮相进博会,引领智慧新生活
- ...· 三电产品开发及测试研讨会北汽新能源专场成功举行
- ...· Manz亚智科技跨入半导体领域 为面板级扇出型封装提供化学湿制程、涂布及激光应用等生产设备解决方案
- ...· 中电瑞华BITRODE动力电池测试系统顺利交付北汽新能源
- ...· 中电瑞华FTF系列电池测试系统中标北京新能源汽车股份有限公司
- ...· 中电瑞华大功率高压能源反馈式负载系统成功交付中电熊猫
- ...· 中电瑞华国际在电动汽车及关键部件测评研讨会上演绎先进测评技术
- ...· 华芯微国产汽车芯片门电路系列(篇一)
- ...· 华芯微国产汽车芯片CAN收发器系列(篇一)
- ...· 华芯微国产汽车芯片DC/DC转换器系列
- ...· 华芯微国产汽车芯片DC/DC转换器系列
- ...· 华芯微国产汽车芯片运算放大器系列(篇一)
- ...· 华芯微国产汽车芯片MOSFET 驱动器系列(篇一)
- ...· 数据采集终端系统设备
- ...· 简仪科技踏上新征程








