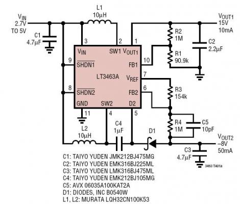
CCD 偏置电源 (15V、-8V)
关键字:电源
相关阅读:
- ...2012/03/07 11:34·嵌入式CCD图像数据采集系统设计
- ...2011/11/30 17:24·基于PXIE总线的高速CCD数字图像采集系统设计[图]
- ...2011/09/30 12:12·基于PXIE总线的高速CCD数字图像采集系统设计
- ...2011/06/10 15:58·Driver For CCD Imager and an OLED Display Panel With Soft Start
- ...2011/06/09 14:04·2 个 AA 电池提供 CCD 正电源和负电源及三个白光 LED 背光源 LED 驱动器
- ...2011/06/09 14:03·+15V 和 -8V 低 VIN (2.7V 至 5V VIN) CCD 偏压
- ...· Efinix® 全力驱动AI边缘计算,成功推出Trion™ T20 FPGA样品, 同时将产品扩展到二十万逻辑单元的T200 FPGA
- ...· 英飞凌亮相进博会,引领智慧新生活
- ...· 三电产品开发及测试研讨会北汽新能源专场成功举行
- ...· Manz亚智科技跨入半导体领域 为面板级扇出型封装提供化学湿制程、涂布及激光应用等生产设备解决方案
- ...· 中电瑞华BITRODE动力电池测试系统顺利交付北汽新能源
- ...· 中电瑞华FTF系列电池测试系统中标北京新能源汽车股份有限公司
- ...· 中电瑞华大功率高压能源反馈式负载系统成功交付中电熊猫
- ...· 中电瑞华国际在电动汽车及关键部件测评研讨会上演绎先进测评技术
产品快讯更多
企业新闻更多
- ...· 华芯微国产汽车芯片门电路系列(篇一)
- ...· 华芯微国产汽车芯片CAN收发器系列(篇一)
- ...· 华芯微国产汽车芯片DC/DC转换器系列
- ...· 华芯微国产汽车芯片DC/DC转换器系列
- ...· 华芯微国产汽车芯片运算放大器系列(篇一)
- ...· 华芯微国产汽车芯片MOSFET 驱动器系列(篇一)
- ...· 数据采集终端系统设备
- ...· 简仪科技踏上新征程








