液晶电视电源的较新发展趋势探析
凭借着大屏幕、低厚度和高清晰等众多优势,液晶电视(LCD TV)在市场上的渗透率快速提升,有市场研究预计,2009年液晶电视的总体市场占有率将达到50%。而随着屏幕尺寸不断突破,液晶电视的功率也水涨船高。较高的功率消耗会直接增加消费者的电费开支,并与节能环保的趋势相背离。因此,各国政府及规范机构纷纷出台或更新针对电视的能效规范,如美国环保署(EPA)发布的“能源之星”3.0版电视规范自2008年11月1日开始生效。
LIPS解决方案取代传统液晶电视电源
为了降低较大尺寸液晶电视的电能消耗,使其符合各种能效规范,并帮助降低系统成本及减小解决方案尺寸,使液晶电视更受消费者欢迎,就液晶电视电源而言,我们可以采取通过多种途径。

图1:采用标准直流24 V逆变器的传统液晶电视开关电源框图。
传统液晶电视电源主要包括交流-直流(AC-DC)转换、直流-直流(DC-DC)转换及高压逆变器这几个部分。AC-DC和DC-DC位于同一块电路板,而逆变器为独立电路板,通常与液晶面板一起提供。其中,AC-DC电源部分,市电110 Vac/220 Vac电压经过整流、功率因数校正(PFC)和滤波,转换为200 V/400 V的直流高压。由于传统逆变器的输入电压要求是24 V,所以PFC的输出电压200 V/400 V电压须经过降压转换,产生多路的输出电压,其中一路24 V电压提供给逆变器,即再经过直流-交流(DC-AC)转换为超过1,000 V甚至达2,000 V的高压,去驱动液晶面板的CCFL背光灯。这种标准24 V逆变器液晶电视开关电源的功能框图如图1所示。
目前市场上的液晶电视电源中,这种传统的电源仍然占多数。值得一提的是,在各种尺寸的液晶电视型号中,大于26英寸特别是32英寸及更大尺寸的液晶电视在市场中占据主导地位。而针对26英寸及以上尺寸的液晶电视,近年来涌现出一种新的逆变器概念——高压液晶显示集成电源(LCD Integrated Power Supply,缩写为LIPS)。与逆变器位于独立电路板的传统电源不同,这种LIPS解决方案将AC-DC、DC-DC和逆变器结合在同一块电路板上,
在经过对市电进行整流、PFC和滤波并获得200 V/400 V直流电压后,会直接采用200 V/400 V电压作为逆变器的输入,通过DC-AC升压转换为液晶面板所需的超过1,000 V甚至达2,000 V的高压。这样就消除24 V转换段,减少了先降压至24 V再大幅升压背光源用一两千伏高压过程中存在的大量功率损耗,从而提升系统能效,减少底盘发热量,并降低总成本。

图2:安森美半导体针对32英寸液晶电视的全桥高压LIPS解决方案功能框图。
在这方面,安森美半导体与Microsemi公司合作,结合双方专长,提供适合多种功率等级的高压LIPS整套解决方案。目前,已合作开发针对32英寸液晶电视的LIPS解决方案(如图2志示)。在系统主板电源方面,这解决方案采用了安森美半导体的NCP1606 PFC控制器,以及充当辅助开关电源的NCP1351 PWM控制器;而在LIPS逆变器部分,采用了Microsemi使用软开关技术的LX6503移相全桥驱动器,它可以在固定工作频率进行零电压开关(ZVS)。与半桥架构相比,这种全桥逆变器解决方案具有显著优势,如减少电磁干扰(EMI)和功率损耗,同时改善背光灯的驱动电流波形,桥上无需使用额外的功率二极管,这全桥结构所采用的4个MOSFET和变压器中的电流规格是半桥结构的一半,它能够通过隔离变压器直接驱动功率MOSFET,更易于实现初级端过流保护(OCP)等。
为了更好应对市场对更大尺寸LIPS液晶电视的需求,安森美半导体正在开发下一代的LIPS液晶电视参考设计,并计划于2009年中推出46/47英寸参考设计。在LIPS逆变器部分,采用与32英寸方案相同的全桥逆变器和背光控制器LX6503,但输出功率大幅提高,可以驱动更多的CCFL灯。而在系统主板电源方面,可以根据具体设计要求来灵活选择安森美半导体的解决方案,如NCP1601、NCP1606或NCP1631等PFC控制器,以及NCP1351或NCP1379等PWM控制器。这新的解决方案采用带有继电器的专用待机开关电源,支持低至150 mW的超低待机能耗。这解决方案电路板上的元件高度低于16 mm(系统总度度低于20 mm),支持更纤薄液晶电视设计。
值得一提的是,美国/北美和中国/欧盟等不同区域市场对电源的要求不尽相同,安森美半导体针对世界上不同区域的不同电源要求,提供相应的电源解决方案,旨在优化设计、缩小系统尺寸及降低成本。
针对输出电流需求对音视频信号处理电源采用不同的稳压器配置
对于音视频信号处理而言,输入电压通常为+ 5 V或+12 V,在稳压器或控制器的配置方面,可以根据输出电流要求来配置。通常而言,低压降稳压器(LDO)用于较低的输出电流,范围一般在0.1至1.5 A之间;而大电流LDO、偏置输入LDO控制器和集成降压转换器用于提供1.5 A至5 A的输出电流。在更大电流方面,可以采用带外部开关和同步整流器的同步降压控制器来提供大于5 A的电流输出。安森美半导体提供一系列的高性能LDO稳压器,如NCP699/633、NCP5500/5501、NCP3334/3335A、NCP5661/5662/5663、NCP605/606和NCP3520/3521等。
从发展趋势来看,随着更多音视频处理方面的芯片组的集成度越来越高,单颗IC可能需要多个输出电压 (如3.3 V I/O和1.25 V内核所需),使得线性方案(LDO)的选择正在增加。另外,由于电路板尺寸趋向更小,使其能够分配给LDO功率耗散的板空间减小,相应地,可以采用DFN封装的LDO来提高功率密度,而集成MOSFET和LDO控制器可以帮助减小PCB占用面积。
另一方面,为了提升电源转换效率及支持大电流操作和异相操作,一些输出需要从LDO转换为开关稳压器。开关稳压器和控制器正趋向采用更高开关频率,如从50 kHz向150 kHz、350 kHz、500 kHz乃至700 k Hz方向发展,从而允许减小外部电感和电容的尺寸,方便制造体积更纤薄的液晶电视。且为了帮助减小系统尺寸及降低成本,开关稳压器趋向于集成多路输出,如双路稳压器等。此外,某些电压输入端上的电流要求越来越高,甚至大于5 A,这就催生了具有更大电流能力的集成开关稳压器,以及开关频率更高的分立控制器+场效应管(FET)组合,并促进同步整流技术的应用。
安森美半导体的NCP312x系列双路2 A/2 A和3 A开关稳压器非常适合液晶电视信号处理板上的+5 V或+12 V输入端应用,它们的频率可在200 kHz至750 kHz范围之间调节,提供0.8 V±1%的电压参考,并且支持180°异相操作,且用户可对自动追踪和排序功能进行控制。
采用新颖PFC架构支持超薄液晶电视设计
众所周知,液晶电视的厚度如今已经可以做到较薄,较新的趋势是电子模块部分厚度趋向低于10 mm。如此纤薄的厚度,给电源设计带来更苛刻的挑战,如需要使用低高度的变压器(这对要考虑隔离和漏电的高压LIPS特别关键)或多个部件(PFC线圈)串联,并采用低高度的散热片,对部件进行水平安装,且将垂直插入的所有电容的高度限制在低于10 mm。

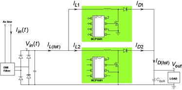
图3:采用两颗NCP1601 PFC控制器实现的交错式PFC架构的功能框图。
而在PFC方面,采用安森美半导体的NCP1606和NCP1654等PFC控制器,已经可以将液晶电视厚度降到较低,而为了支持低至10 mm的极纤薄设计,可以采用两颗相对较小的NCP1601芯片,采用交错式架构来予以实现,如图3所示。所谓交错式PFC,其主要想法是在原本放置单个较大PFC的地方并行放置两个功率为一半的较小PFC。这两个较小PFC以180°的相移交替工作,它们在输入端或输出端累加时,每相电流纹波的主要部分将抵消。
为了给客户提供更多选择,安森美半导体还计划于2009年推出新的交错式PFC控制器NCP1631。这是一种单芯片解决方案,替代2颗NCP1601,但可以实现同样的极低设计高度,适合10 mm厚度的极纤薄液晶电视设计,还扩展功率范围,减少电流纹波。
待机能耗趋向低于100 mW?
液晶电视的待机能耗是另一个值得关注的点。2008年11月开始生效的“能源之星”3.0版电视规范针对待机能耗的标准是低于1 W。尽管这标准不是强制要求,但在市场上仍然具有很高的指导意义。
液晶电视的待机能耗未来将进一步降低。例如,在增加小型专用微处理器的条件下输出功率为50 W时能耗低于600 mW,采用专用待机开关电源条件下能耗低于400 mW,及采用专用待机开关电源并增加继电器(从而在待机时断开所有PFC和开关电源)时能耗低于200 mW。如果制造商要使用更加“绿色”的技术来将产品差异化,树立更高的品牌形象从而提升利润率,就需求进一步改进设计,使得待机能耗低于100 mW可能成为下一波重要趋势。
总结:
在液晶电视市场不断发展壮大的同时,其电源消耗问题也更加受到瞩目。电子制造商要在市场竞争中脱颖而出,一个重要途径就是不断优化他们的液晶电视电源设计设计,使之符合较新的能效规范要求及其它重要发展趋势,如采用LIPS方案取代传统逆变器、通过创新PFC架构支持超薄液晶电视设计等。本文着重分析了这些趋势对液晶电视电源设计的影响,并结合安森美半导体的产品和参考设计,详细阐释了如何支持这些较新趋势,从而帮助电子制造商缩短符合全球不同应用市场要求的产品的开发周期,加快上市进程。
供稿:安森美半导体
相关阅读:
- ...2010/03/11 14:43·数字告示液晶显示器和普通液晶电视的区别
- ...2010/01/22 12:56·中大尺寸液晶电视AC-DC电源架构及较新LED背光方案
- ...2009/07/07 10:32·安森美半导体GreenPoint® 32英寸高压LIPS液晶电视电源参考设计
- ...2009/02/26 09:19·集成液晶电视电源及逆变器的GreenPoint™ 参考设计
- ...· Efinix® 全力驱动AI边缘计算,成功推出Trion™ T20 FPGA样品, 同时将产品扩展到二十万逻辑单元的T200 FPGA
- ...· 英飞凌亮相进博会,引领智慧新生活
- ...· 三电产品开发及测试研讨会北汽新能源专场成功举行
- ...· Manz亚智科技跨入半导体领域 为面板级扇出型封装提供化学湿制程、涂布及激光应用等生产设备解决方案
- ...· 中电瑞华BITRODE动力电池测试系统顺利交付北汽新能源
- ...· 中电瑞华FTF系列电池测试系统中标北京新能源汽车股份有限公司
- ...· 中电瑞华大功率高压能源反馈式负载系统成功交付中电熊猫
- ...· 中电瑞华国际在电动汽车及关键部件测评研讨会上演绎先进测评技术
- ...· 华芯微国产汽车芯片门电路系列(篇一)
- ...· 华芯微国产汽车芯片CAN收发器系列(篇一)
- ...· 华芯微国产汽车芯片DC/DC转换器系列
- ...· 华芯微国产汽车芯片DC/DC转换器系列
- ...· 华芯微国产汽车芯片运算放大器系列(篇一)
- ...· 华芯微国产汽车芯片MOSFET 驱动器系列(篇一)
- ...· 数据采集终端系统设备
- ...· 简仪科技踏上新征程








