比例控制双向可控硅触发电路设计

一、TDA1023的基本结构、引脚功能及其特点
TDA1023采用16引脚DIL封装,引脚排列如图1所示。
TDA1023芯片电路主要由电源电路、输入缓冲器、定时电路、故障一安全电路、过零检测器和输出脉冲放大器组成,如图2所示。
TDA1023的引脚功能如附表所列。
1.电源电压Vcc直接从市电线路上获得,典型值是13.7V,平均电源电流(IRX)为10mA,并为外部温度传感桥路提供8V的稳定电压(Vz);
2.触发脉冲宽度tw(典型值为200μs)、触发脉冲串重复时间Tb(在CT=68μF下的典型值是41s)及比例区间宽度均可调节,输出电流不大于150mA(平均电流不大于30mA);
3.滞后电压及相应的滞后温度可以调节。
二、工作原理
1.电源及其操作



TDA1023的电源电路及外部元件连接如图3所示。220V市电经二极管D1和电阻RD加至IC脚16与脚13之间,其中IC脚13(VEE)连接市电零线。在市电正半周,通过RD的电流对外部平滑电容器CS充电,直到IC脚16从内部稳压二极管获得稳定电压为止。RD的选择应能为IC正常工作提供电流。在市电工作负半周,电容Cs上存贮的电荷放电为电路提供工作电流。Cs容量的选择,必须能维持Vcc较低电压值(12V)。
2.温度控制
负载平均功率通过变更触发脉冲串的持续时间变化,而触发脉冲串的持续时间取决于控制输入C1(⑥脚)与参考输入UR(⑦脚)或BR(⑨脚)之间的电位差。对于5℃~30℃的较佳化室温控制可利用IC转换电路实现。当IC的QR(⑧)脚连接到URC(⑦脚)时,BR(⑨)脚用作参考输入,保证有一个精确的线性室温设置。若不需用转换电路,UR(⑦脚)用作参考输入,BR(⑨脚)必须连接到Vz({11}脚)。对于比例功率控制,UR({7}脚)必须连接到TB(脚{12}),BR({9}脚)必须连接到Vz({11}脚)。
3.比例范围控制
如果比例范围控制输入PR({5}脚)开路,在C1({6}脚)上的80mV信号变化,可使占空比从0%到100%变化,相应的温度差为1K。如果{5}脚接地,比例范围增加到400mV(即5K)。如果在{5}脚与地之间连接一只电阻,当其为3.3kΩ时,比例范围为160mV;若电阻阻值是430Ω,比例范围则为320mV。
4.滞后控制
当滞后控制输入HYS({4}脚)开路时,器件内部带一个20mV的滞后,相应的温度控制为0.25K。若{4}脚接地,滞后增加到320mV(相应的温度增加到4K)。如果在{4}脚与地之间连接一支1.8kΩ到9.1kΩ的电阻,滞后则从100mV变化到40mV。
5.触发脉冲宽度调节
TDA1023的输出触发脉冲宽度tw可以通过{10}脚外部同步电阻Rs来调节。在市电电压(Vs)一定时,tw随Rs增加而增大,与{10}脚上的输入电流成反比。图4示出了tw随Rs和Vs变化而变化的关系曲线。
6.输出电流调节
TDA1023的输出级是开路发射极输出,产生正向触发脉冲。输出级带较大电流限制和短路保护功能。当输出脉冲稳定在10V时,较大输出电流为150mA。为减小总电源电流和功率耗散,必须在IC的{3}脚与可控硅的门极之间连接一支电阻RG,以限制输出电流。在220V、50Hz的市电电压下,IC{3}脚(Q)上的平均输出电流I3(AV)与RG及RS之间的关系曲线如图5所示。
三、应用电路实例

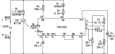
图6示出的是1.2kW~2kW加热器控制电路。Vs为220V(50Hz),温度范围为5℃~30℃。TDA1023{6}脚与{13}脚之间连接的NTC热敏电阻RT1,在25℃下的阻值是22kΩ,用做温度感测。双向可控硅采用BT139,在25℃下,Vft<1.5V,Ift>70mA。
TDA1023的应用电路比较简单,成本很低,并且设计简单。
相关阅读:
- ...· Efinix® 全力驱动AI边缘计算,成功推出Trion™ T20 FPGA样品, 同时将产品扩展到二十万逻辑单元的T200 FPGA
- ...· 英飞凌亮相进博会,引领智慧新生活
- ...· 三电产品开发及测试研讨会北汽新能源专场成功举行
- ...· Manz亚智科技跨入半导体领域 为面板级扇出型封装提供化学湿制程、涂布及激光应用等生产设备解决方案
- ...· 中电瑞华BITRODE动力电池测试系统顺利交付北汽新能源
- ...· 中电瑞华FTF系列电池测试系统中标北京新能源汽车股份有限公司
- ...· 中电瑞华大功率高压能源反馈式负载系统成功交付中电熊猫
- ...· 中电瑞华国际在电动汽车及关键部件测评研讨会上演绎先进测评技术
- ...· 华芯微国产汽车芯片门电路系列(篇一)
- ...· 华芯微国产汽车芯片CAN收发器系列(篇一)
- ...· 华芯微国产汽车芯片DC/DC转换器系列
- ...· 华芯微国产汽车芯片DC/DC转换器系列
- ...· 华芯微国产汽车芯片运算放大器系列(篇一)
- ...· 华芯微国产汽车芯片MOSFET 驱动器系列(篇一)
- ...· 数据采集终端系统设备
- ...· 简仪科技踏上新征程








