大功率UPS工频机和高频机性能对比
大功率UPS工频机和高频机性能对比
艾默生网络能源公司UPS产品部 温顺理 杨 波
摘要:本文通过大容量工频UPS和高频UPS进行原理分析、拓扑对比、实测数据分析和性能对比,全面总结了大功率工频UPS和高频UPS的优缺点和选配原则。
一、工频机和高频机的定义和原理分析
UPS通常分为工频机和高频机两种。工频机由可控硅SCR整流器,IGBT逆变器,旁路和工频升压隔离变压器组成。因其整流器和变压器工作频率均为工频50Hz,顾名思义叫工频UPS。
典型的工频UPS拓扑如下:

图1:典型工频UPS拓扑
主路三相交流输入经过换相电感接到三个SCR桥臂组成的整流器之后变换成直流电压。通过控制整流桥SCR的导通角来调节输出直流电压值。由于SCR属于半控器件,控制系统只能够控制开通点,一旦SCR导通之后,即使门极驱动撤消,也无法关断,只有等到其电流为零之后才能自然关断,所以其开通和关断均是基于一个工频周期,不存在高频的开通和关断控制。
由于SCR整流器属于降压整流,所以直流母线电压经逆变输出的交流电压比输入电压低,要使输出相电压能够得到恒定的220V电压,就必须在逆变输出增加升压隔离变压器。同时,由于增加了隔离变压器,系统输出零线可以通过变压器与逆变器隔离,显著减少了逆变高频谐波给输出零线带来的干扰。
同时,工频机的降压整流方式使电池直挂母线成为可能。工频机典型母线电压通常为300V~500V之间,可直接挂接三十几节电池,不需要另外增加电池充电器。
按整流器晶阐管数量的不同,工频机通常分为6脉冲和12脉冲两种类型。6脉冲指以6个可控硅(晶闸管)组成的全桥整流,由于有6个开关脉冲对6个可控硅分别控制,所以叫6脉冲整流。6脉冲整流拓扑如下:

图二、典型6脉冲拓扑
12脉冲是指在原有6脉冲整流的基础上,在输入端增加移相变压器后再增加一组6脉冲整流器,使直流母线由12个可控硅整流完成,因此又称为12脉冲整流。
下图所示两个三相整流电路就是通过变压器的不同联结构成12相整流电路。

图三:典型12脉冲整流器示意图
6脉冲和12脉冲的详细技术分析可参见《大功率UPS 6脉冲与12脉冲可控硅整流器原理与区别》。
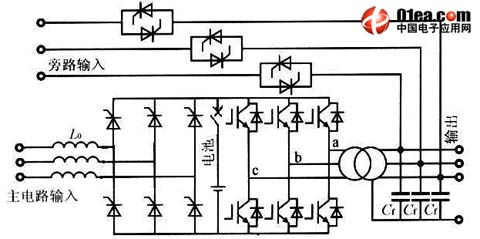
高频机通常由IGBT高频整流器,电池变换器,逆变器和旁路组成,IGBT可以通过控制加在其门极的驱动来控制IGBT的开通与关断,IGBT整流器开关频率通常在几K到几十KHz,甚至高达上百KHz,相对于50Hz工频, 称之为高频UPS。典型的高频机拓扑如下:

图2:高频UPS拓扑图
高频UPS整流属于升压整流模式,其输出直流母线的电压一定比输入线电压的峰峰值高,一般典型值为800V左右,如果电池直接挂接母线,所需要的标配电池节数达到67节,这样给实际应用带来极大的限制。因此一般高频UPS会单独配置一个电池变换器,市电正常的时候电池变换器把母线800V的母线电压降压到电池组电压;市电故障或超限时,电池变换器把电池组电压升压到800V的母线电压。从而实现电池的充放电管理。由于高频机母线电压为800V左右,所以逆变器输出相电压可以直接达到220V,逆变器之后就不再需要升压变压器。
二、工频机和高频机的性能对比
随着电力电子技术的发展和高频功率器件不断问世。中小功率段的UPS产品正逐步高频化,高频UPS有功率密度大、体积小、重量轻的特点。但在高频UPS功率段向中大功率过渡推进的过程中。高频拓扑UPS在使用过程中暴露出一些固有缺点,并影响到UPS的安全使用和运行。
1)零偏故障。
某型号大容量三相高频UPS拓扑如下:

图3:某型号四桥臂高频机拓扑
从图3可知,UPS主路输入是三相四线(相线+零线),整流器为四桥臂变换器。A、B、C三相和零线均通过IGBT整流。此种变换器存在先天缺陷:零线在主路工作时不能断开。当A、B、C三相闭合,零线断开时。如果UPS输出端接不平衡负载,当零点参考点突然消失,将造成严重的UPS输出零偏故障,进而导致UPS后端负载设备的损坏,输出闪断等重大故障。如果A、B、C、零线同时中断。这种情况往往会发生在市电和发电机切换过程,此种拓扑的高频机因零线缺失而必须转旁路工作,在特定工况下(电压过零点,非同步切换时)可能造成负载闪断的重大故障。而工频机因整流器不需要零线参与工作,在零线断开时,UPS可以保持正常供电。
2)零地电压抬升和电池架带电问题。
从图2和图3可以看到,大功率三相高频机零线会引入整流器并做为正负母线的中性点,此种结构不可避免的造成整流器和逆变器高频谐波耦合在零线上,抬升零地电压,造成负载端零地电压抬高,很难满足IBM,HP等服务器厂家对零地电压小于1V的场地需求。
某型号高频UPS的电池变换器采用高频Buck/Boost拓扑结构,变换器缺少必要的滤波装置。因此充电电压和电流耦合大量高频分量,在现场实测数据如下图:

可以明显看到频率12.5KHz的高频分量,实测电池正极与大地浮置电压有325V,断开电池架接地,电池架与大地间有100多伏浮置电压。接通电池架与大地,电池架与大地漏电流高达110mA。按照行业标准(GB13870.1-93 《电流通过人体的效应》),50mA的电流就可以致人死亡。该型号UPS在电池架未与大地短接时,人体触摸到电池架有明显被电击的感觉。原因是充电回路中高频分量通过人体与大地形成通路,造成人体触电。同时,此高频谐波严重干扰了外置的UPS电池单体电压监控系统,使电池电压监控测试仪无法正常工作。

3)可靠性降低。
自1947年底首个晶体管问世,随后不到十年,可控硅整流器(SCR,现称晶闸管)在晶体管渐趋成熟的基础上问世,至今晶阐管已历时半个多世纪的发展和革新,耐受高电压,大电流晶阐管技术已非常成熟,其抗电流冲击能力非常强。晶阐管是半控器件,不会出现直通,误触发等故障。相比而言,80年代初问世的IGBT(绝缘栅双极晶体管)有许多优点,其开关频率可在几K至几百KHz之间,是目前高频UPS主要功率器件。但是,IGBT工作时有严格的电压,电流工作区域,抗冲击能力有限。在可靠性方面,IGBT一直比晶阐管差。根据大量的数据统计,采用晶阐管的整流器故障率远远低于IGBT整流器的故障率,前者大约为后者的1/4。
工频机通常采用SCR整流器,而高频机多采用IGBT整流器。因此,工频机在可靠性方面优于高频机。而大功率UPS可靠性是用户关注的第一要素。目前市面上销售的多款国际知名品牌工频机产品在用户端都有很好的口碑。并通过了长时间和复杂电网的实际验证。
高频大功率UPS还有诸多缺点,详见附件:
附:大功率工频UPS和高频UPS技术对比表:
|
|
高频机 |
工频机 |
|
1 |
采用IGBT整流技术,根据统计数据,IGBT整流故障率远高于可控制硅整流 |
采用可控硅整流技术,系统可靠性高 |
|
2 |
输出有高次谐波,高频谐波耦合在零线上,可能抬升零地电压。很难满足IBM,HP等服务器厂家对零地电压小于1V的场地需求 |
输出配置隔离变压器,零地电压增量为零,更可靠保证负载运行 |
|
3 |
逆变器直接挂接负载,抗负载冲击能力弱,降低逆变器的可靠性 |
输出隔离变压器自身短路阻抗的作用及高频衰减隔离特性,使得工频机具有很好的抗负载冲击能力,降低负载突变和短路对UPS的影响 |
|
4 |
逆变器直接带载,带不平衡负载能力弱 |
通过变压器的负载重新分配,提高 相关阅读:
产品快讯更多
企业新闻更多
关于我们 | 联系我们 | 本站动态 | 广告服务 | 欢迎投稿 | 友情链接 | 法律声明
Copyright (c) 2008-2026 01ea.com.All rights reserved.
电子应用网 京ICP备12009123号-2 京公网安备110105003345号 |








