测试测量:采用霍尔效应技术实现紧凑型电流测量传感器
测试测量:采用霍尔效应技术实现紧凑型电流测量传感器
——LEM电流传感器有效满足当前对降低成本和缩小尺寸的需求
作者:LEM公司Hans-Dieter Huber、Marc Laforet、Mikio Kurosawa、Stéphane Rollier
通常测量3-20A范围内电流的方法主要有以下两种:采用电阻分流器的传统测量方法和使用电流互感器。这两种技术均有局限性:第一种方法缺少流电隔离,第二种方法带宽有限。此外,这两种方法都对校准工作有相当高的要求。LEM电流传感器曾经帮助有效解决了这些问题,但为了全面满足当前对降低成本和缩小尺寸的需求,现在到了需要对产品进行重新设计的时候了。
2002年,LEM收购了一家位于日本的生产霍尔效应电流传感器的企业——NANA Electronics K.K.公司。新公司更名为NANALEM K.K.,总部位于东京町田。新的研发队伍融合了两家公司的专业经验,已经重新设计了日本较畅销的产品SY系列,并把它发展成为HX系列。
霍尔效应原理
HX传感器的核心是一个霍尔效应发生器。1879年,Edward H. Hall发现了霍尔效应,在电流流经一片薄传导材料(霍尔发生器),并放在垂直磁场中时,会发生这种效应。然后电磁洛伦兹力将感应电子,根据极性流到薄片边缘。

图1. 位于磁路间隙中的霍尔发生器把一次电流产生的磁场转换成成比例的霍尔电压。
在这两个边缘之间产生的霍尔电压VH与控制电流IC和磁通量B直接成正比(图1)。霍尔发生器由一片薄传导材料制成,如砷化镓(GaAs),这种材料在使用期间能够实现可靠稳定的性能。在5mA的控制电流下,获得的霍尔电压约为1.25mV/mT。
霍尔效应开环电流测量
一次电流产生的磁场会在磁路的间隙中生成线性磁通量B,磁通量B会感应霍尔发生器中成比例的霍尔电压VH。然后这个电压被电路放大,得到一个与一次电流成正比的输出模拟信号。因此,HX系列可以测量DC电流和AC电流,以及相控整流器、电网换相转换器、PWM转换器和开关式电源中复杂的电流波形。输出电压一直是一次电流的真实反映。
抗dv/dt噪声能力
在设计驱动器控制和开关设备时,工程师遇到的其中一个问题是整流期间快速电压变化导致的高dv/dt噪声。
电源半导体技术一直在不断发展。现在,许多半导体产品样本中都可以看到整流速度非常高的IGBT。因此,当前通用逆变器一般会以很高的开关频率工作,通常在20kHz以上。在这么高的频率上工作的好处包括波形更平滑、操作噪声更低、效率更高。
开关设备每次开关时产生的高dv/dt值将在初级电缆和传感器电路之间产生电容电流。大多数模拟线性放大器对这种寄生电流很灵敏。因此,dv/dt噪声将被叠加在输出信号上。根据变动电压的幅度和斜坡,初始尖峰和后来的振荡有时会非常高,以致它们会激活传感器的电流保护电路,进而使逆变器暂停运行。LEM的经验在HX系列设计阶段帮助保证了对关键噪声水平的完美免疫力,而又不会损失带宽,因此HX的性能要超过其他类似的传感器(图2和图3)。

图2. 由于采用快速开关元件,HX系列几乎不受高dv/dt影响。
图3. 实际逆变器应用中的HX噪声电平,其中dv/dt等于4000V/ms。
对阶跃电流的超快速响应时间对IGBT短路保护必不可少。HX系列可以以50A/ms以上的速度准确跟踪电流变化,对阶跃电流的响应较快为3ms。
设计工程师经常面临的另一个棘手问题是可用空间。小型传感器有助于解决这个问题,HX传感器重仅8克,要求的安装面积只有15 x 19mm。但众所周知,当这种传感器并排放在三相应用中时,各自的一次电流可能会影响其他传感器的电子器件。在并排安装在三相应用中时,HX电流传感器引起的相互干扰非常小(图4)。

图4. 在并排安装在三相应用中时,电流传感器产生的相互干扰非常小。
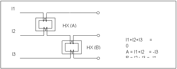
专用型号HX传感器有两个一次线圈,这两个线圈既可以串联,也可以并联(图5)。

图5. 带有一个或两个一次线圈的HX系列电流传感器的工作原理。

图6. 只使用两个传感器测量三相电流。
在某些逆变器应用中,可以使用一对这样的传感器,测量所有三个相位,每个传感器两个相位(图6)。这消除了对第三个单元的需要,有助于降低成本。AC测试电压(50Hz,1分钟)是3kVRMS,间隙/漏电距离超过5.5mm,使这些传感器特别适合中低功率范围中的隔离电流测量。
相关阅读:
- ...2010/06/12 14:27·Windows 7为测试测量带来了什么
- ...2009/02/26 16:00·测试测量技术发展趋势
- ...· Efinix® 全力驱动AI边缘计算,成功推出Trion™ T20 FPGA样品, 同时将产品扩展到二十万逻辑单元的T200 FPGA
- ...· 英飞凌亮相进博会,引领智慧新生活
- ...· 三电产品开发及测试研讨会北汽新能源专场成功举行
- ...· Manz亚智科技跨入半导体领域 为面板级扇出型封装提供化学湿制程、涂布及激光应用等生产设备解决方案
- ...· 中电瑞华BITRODE动力电池测试系统顺利交付北汽新能源
- ...· 中电瑞华FTF系列电池测试系统中标北京新能源汽车股份有限公司
- ...· 中电瑞华大功率高压能源反馈式负载系统成功交付中电熊猫
- ...· 中电瑞华国际在电动汽车及关键部件测评研讨会上演绎先进测评技术
- ...· 华芯微国产汽车芯片门电路系列(篇一)
- ...· 华芯微国产汽车芯片CAN收发器系列(篇一)
- ...· 华芯微国产汽车芯片DC/DC转换器系列
- ...· 华芯微国产汽车芯片DC/DC转换器系列
- ...· 华芯微国产汽车芯片运算放大器系列(篇一)
- ...· 华芯微国产汽车芯片MOSFET 驱动器系列(篇一)
- ...· 数据采集终端系统设备
- ...· 简仪科技踏上新征程








