满足新应用需求的先进PFC技术及解决方案
功率因数校正(PFC)是电源设计人员面临的重要任务。根据IEC61000-3-2谐波标准中的D类规定,功率在75 W以上的个人计算机和电视机等电子系统的电源要进行功率因数校正。
根据输入电流控制原理的不同,PFC可以分为不同的类型,如临界导电模式(CrM)、不连续导电模式(DCM)、连续导电模式(CCM)和频率钳位临界导电模式(FCCrM)等。CrM的的主要特征是电流有效值(RMS)大,开关频率不固定,常用于需要简单控制方案的照明和交流适配器等低功率应用,典型解决方案如安森美半导体NCP1606;DCM的主要特征是电流有效值较高,线圈电感较低及稳定性较佳,常见于中低功率应用;CCM的主要特征是总是硬开关,电感值较大,电流有效值较小,在较高功率(>300 W)应用中特别受到青睐,典型解决方案如安森美半导体NCP1654;FCCrM的主要特征是电流有效值大,频率被限制,线圈电感较小,在中等功率条件下具有极高能效,典型解决方案如安森美半导体NCP1605。
值得一提的是,FCCrM可以视作带有频率钳位功能(由振荡器设定)的临界导电模式,综合了CrM和DCM的优点:DCM限制较大开关频率,而CrM降低较大电流应力。总的来看,FCCrM解决方案似乎拥有较高的能效。
新的应用需求为PFC提出更高要求
一些新的应用需求推动着业界开发新的PFC技术。这其中颇为受人瞩目的就是新兴的能效标准要求计算机ATX电源具有越来越高的能效。例如,80 PLUS银级标准(等同于“能源之星”5.0版计算机电源标准及CSCI标准第三阶段目标)要求,到2010年6月,多路输出ATX电源在20%、50%和100%负载条件的能效分别达到85%、88%和85%,详见表1所示。
要提高ATX电源能效,以满足较新能效标准的更高要求,重要的是以系统性的途径来分析功率损耗来源,并针对性地降低功率损耗。通常而言,我们可以将ATX电源分为PFC段、主开关电源段和次转换器段。以常见的75%能效ATX电源为例,据测算,PFC段的损耗要占总损耗的40%。因此,将PFC段的能效提至较高,有利于实现更高的系统总能效。这就需要优化PFC控制器及其工作模式与其它元器件的选择。

表1:80 PLUS等能效标准对多路输出ATX电源的能效要求
此外,液晶电视市场近年来高速发展,而纤薄型设计则为液晶电视提供特别的卖点,受到消费者的青睐。较新的液晶电视设计更是趋向于将厚度降至10 mm以下,这就使元器件高度受到严格限制,设计人员必须尽可能采用更小型的元器件,并降低安装高度。PFC段同样受到这方面的制约,值得一提的是,缩小PFC段元器件能够帮助系统降低高度。
在这些背景下,一些新的PFC拓扑结构已经开始涌现和应用。其中尤以交错式PFC和无桥PFC为典型。我们将探讨这两种新PFC拓扑结构的特征、解决方案及性能测试结果。
交错式PFC的优势及解决方案
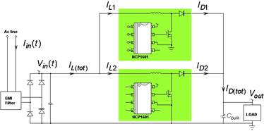
交错式PFC的主要想法是在原本放置单个较大功率PFC的地方并行放置两个功率为一半的较小功率的PFC,参见图1。这两个较小功率PFC以180°的相移交替工作,它们在输入端或输出端累加时,每相电流纹波的主要部分将抵消。虽然交错式PFC使用较多的元器件,但其好处也很明显,如150 W的PFC就比300 W的PFC更易于设计,便于采用模块化的方案,且两个DCM PFC就像一个CCM PFC转换器,这就简化电磁干扰(EMI)滤波,并减小输入电流有效值。特别是采用两个较小PFC的设计能够支持厚度低至10 mm的超薄型液晶电视设计,且能效极高。

图1:采用两颗NCP1601 PFC控制器实现的交错式PFC架构的功能框图。
交错式PFC有两种具体实现方案:一为主/从(Master/Slave)方案,一为独立相位(Independent Phases)方案。主/从方案指主分支自由工作,而从分支相对于主分支180°相移工作。主/从方案的主要挑战在于保持在CrM工作模式(没有CCM模式,没有死区)。
独立相位方案指每个相位都恰当地工作在CrM或FCCrM模式,而两个分支相互配合以设定180°相移。独立相位方案的主要挑战是保持准确的相移。安森美半导体的双NCP1601交错式PFC方案是一种独特的FCCrM方案,适合输入电压范围较宽的应用。在这种方案中,2颗NCP1601驱动2个独立的PFC分支,这2个分支具有相同的导通时间因而具有相同的开关周期,它们同步但彼此独立工作,从而保证DCM工作模式(零电流检测),没有CCM工作风险,且在满载时两个分支都进入CrM工作模式。

图2:安森美半导体双NCP1601交错式PFC方案在不同负载范围下的能效。
对基于安森美半导体NCP1601交错式PFC方案的宽输入范围、300 W PFC预转换器进行的测试显示,这解决方案在很宽的负载范围内(从20%到100%)、90 Vrms电压条件下实现95%的能效,如图2所示。
无桥PFC的优势及解决方案
传统有源PFC中,交流输入经过EMI滤波后会经过二极管桥整流器,但在整流过程中存在功率耗散,其中既包括前端整流桥中两个二极管导通压降带来的损耗,也包括升压转换器中功率开关管或续流二极管的导通损耗。据测算,在低压市电应用(@90 Vrms)中,二极管桥会浪费大约2%的能效。有鉴于此,近年来业界提出了无桥PFC拓扑结构。实际上,如果去掉二极管整流桥,由此带来的能效提升效果很明显。这种PFC电路采用1只电感、两只功率MOSFET和两只快恢复二极管组成。
对于工频交流输入的正负半周期而言,这种无桥升压电路可以等效为两个电源电压相反的升压电路的组合。其中左边的蓝色方框是PH1为高电平、MOSFET开关管M2关闭时的开关单元,右边的橙色方框是PH2为高电平、MOSFET开关管M1关闭时的开关单元。当PH1为高电平、PH2为低电平时,电路工作在正半周期,这时M2相当于体二极管(body diode),PH2通过M2接地;而当PH1为低电平、PH2为高电平时,电路工作在负半周期,这时M1相当于体二极管,PH1通过M1接地。

图3:传统的无桥PFC结构示意图。
相对于传统PFC段而言,这种无桥PFC节省了由二极管整流桥导致的损耗,但不工作MOSFET的体二极管传递线圈电流。较终,这种结构消除了线路电流通道中一个二极管的压降,提升了能效。但实际上,这种架构也存在几处不便,因为交流线路电压不像传统PFC那样对地参考,而是相对于PFC段接地而浮动,这就需要特定的PFC控制器来感测交流输入电压,而这种结构中的简单电路并不能完成这项任务。这种架构也不能方便地监测线圈电流。 此外,EMI滤波也是一个主要问题。
图4是Ivo Barbi无桥升压PFC架构的新颖解决方案,这种方案中没有全桥,相反,PFC电路的地通过二极管D1和D2连接至交流线路,且每个端子用于1个PFC段。故这种解决方案可视作2相PFC,其中2个分支并联工作。这种架构也省下了电流通道中的一个二极管,并因此提升了能效。这种2相式架构并不需要特定的PFC控制器,具有增强的热性能,且负相总是接地,解决了EMI问题。

图4:改进的Ivo Barbi无桥升压PFC架构
安森美半导体基于这种架构开发了800 W PFC段的原型。这原型采用NCP1653 PFC控制器及MC33152 MOSFET驱动器。经测试,这原型在90 Vrms、满载、无风扇(机箱打开,室 温)条件下的能效达94%,而在100 Vrms时达95%。在20%负载时能效更接近或超过96%。这种无桥PFC架构将是适合大功率应用的一种高能效解决方案。
总结:
交错式PFC和无桥PFC等新颖拓扑结构的先进PFC技术可用于满足功率大于75 W电源的新趋势,有利于设计厚度低至10 mm以下的超薄型液晶电视,及满足80 PLUS等能效标准越来越高的要求。安森美半导体身为全球领先的高性能、高能效硅解决方案供应商,提供基于NCP1601的交错式PFC和基于NCP1653的无桥PFC等创新解决方案,具有小外形因数,适用于紧凑型设计,并减少PFC段的功率损耗,提供极高的能效,符合严苛的能效标准要求,帮助客户在市场竞争中占据先机。
供稿:安森美半导体
相关阅读:
- ...2009/03/25 14:27·满足新应用需求的先进PFC技术及解决方案
- ...· Efinix® 全力驱动AI边缘计算,成功推出Trion™ T20 FPGA样品, 同时将产品扩展到二十万逻辑单元的T200 FPGA
- ...· 英飞凌亮相进博会,引领智慧新生活
- ...· 三电产品开发及测试研讨会北汽新能源专场成功举行
- ...· Manz亚智科技跨入半导体领域 为面板级扇出型封装提供化学湿制程、涂布及激光应用等生产设备解决方案
- ...· 中电瑞华BITRODE动力电池测试系统顺利交付北汽新能源
- ...· 中电瑞华FTF系列电池测试系统中标北京新能源汽车股份有限公司
- ...· 中电瑞华大功率高压能源反馈式负载系统成功交付中电熊猫
- ...· 中电瑞华国际在电动汽车及关键部件测评研讨会上演绎先进测评技术
- ...· 华芯微国产汽车芯片门电路系列(篇一)
- ...· 华芯微国产汽车芯片CAN收发器系列(篇一)
- ...· 华芯微国产汽车芯片DC/DC转换器系列
- ...· 华芯微国产汽车芯片DC/DC转换器系列
- ...· 华芯微国产汽车芯片运算放大器系列(篇一)
- ...· 华芯微国产汽车芯片MOSFET 驱动器系列(篇一)
- ...· 数据采集终端系统设备
- ...· 简仪科技踏上新征程








