不同电源供电及不同功率等级的LED照明驱动器方案
随着LED技术的发展,LED的应用已经从传统的小功率便携产品背光拓展至中大功率的室内照明、室外照明及手电筒等应用。根据驱动电源的不同,LED照明通常可以划分为交流-直流(AC-DC) LED照明、直流-直流(DC-DC) LED照明电源以及电池供电的LED手电筒等不同类型,LED灯具及其功率也各不相同,如3 W PAR16、3×2 W PAR20、10 W/15 W PAR30、15 W/22 W PAR38、1 W G13、3 W GU10、1 W MR11、3 W MR16、3 W/9 W/15 W嵌灯、1W-3W阅读灯等。
1,AC-DC LED照明解决方案
安森美半导体在AC-DC电源供电的LED照明应用中,提供各种离线控制器及功率因数校正(PFC)控制器,并配合隔离及非隔离要求提供不同的LED应用方案。在交流线路电压与LED之间没有物理电气连接的隔离应用中,常见的拓扑结构有反激(Flyback)及双电感加单电容(LLC)半桥谐振。不同拓扑结构适合于不同的功率范围或是用于满足特别的设计要求。例如, 反激拓扑结构是小于100 W的中低功率应用的标准选择,而LLC半桥拓扑结构是大功率和高能效的首选方案。

图1:不同功率范围的隔离型拓扑结构
AC-DC LED照明应用中,小功率的LED应用通常以恒流(CC)来驱动,而恒压(CV)功能是在输出开路的情况下作为保护功能。大功率的LED应用可能需要在电路中增加功率因数校正(PFC),其中的AC-DC转换与LED驱动两部分电路既可能采用整体式(integral)配置,即两者融合在一起,均位于照明灯具内,也可以采用分布式(distributed)配置,如图2,从而简化安全考虑,并增加系统灵活性。
|
|
图2:大功率LED驱动的分布式(distributed)配置结构
从应用的具体功率范围来看,AC-DC LED照明的电源方案应用主要包括:
l 1 W-8 W:G13/GU10/PAR16/PAR20照明
l 8W -25 W:PAR30/PAR38照明
l 50 W-300 W:区域照明
1) 1 W-8 W AC-DC LED照明应用
这类应用要求的输入电压为90至264 Vac,能效达80%,同时提供短路保护、过压保护等保护特性,并提供350 mA、700 mA恒流,应用领域包括G13、GU10、PAR16、PAR20及嵌灯(downlight)等。
这类应用中可以采用安森美半导体的NCP1015自供电单片开关稳压器。这颗器件集成了固定频率(65/100/130 kHz)电流模式控制器和700 V的高压MOSFET,提供构建强固的低成本电源所需的全部特性,如软启动、频率抖动、短路保护、跳周期、较大峰值电流设定点及动态自供电功能(无需辅助绕组)等。图3显示的是NCP1015在隔离型1 W-8 W范围AC-DC LED照明应用的电路示意图。值得一提的是,NCP1015同样可用于非隔离型(电路中不含高频变压器)1 W-8 W范围的AC-DC LED照明应用,电路中可以采用抽头(tapped)电感来提高MOSFET工作的占空比,并改善系统能效及电路性能。

图3:安森美半导体8 W LED驱动应用电路示电图(输入电压为85至264 Vac)
2) 8 W-25 W AC-DC LED照明应用
美国能源部(DOE)“能源之星”(ENERGYSTAR™)固态照明(SSL)规范中规定任何功率等级皆须强制提供功率因数校正(PFC)。这标准适用于一系列特定产品,如嵌灯、橱柜灯及台灯,其中,住宅应用的LED驱动器功率因数须大于0.7,而商业应用中则须大于0.9。但这项标准属于自愿性标准,即可以选择不遵从或是遵从。
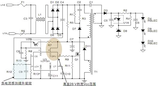
相应地,在8 W-25 W AC-DC LED照明应用中,我们考虑两种情况,一种是应用没有功率因数要求,即不需采用PFC控制器,另一种是要求采用PFC控制器。在不需要PFC的应用中,我们假定输入电压规格为90~132 Vac或180~264Vac(或通用输入),能效达85%,提供短路保护及开路保护等保护特性,输出电流为350 mA、700 mA及1 A恒流,相应地可以采用安森美半导体的NCP1028或NCP1351。其中,NCP1028是一款增强型单片开关稳压器,适用于在通用主电源输入的应用中提供数瓦至15 W的输出功率。NCP1028的导通阻抗比NCP101x更低,提供800 mA峰值电流,具备NCP101x的诸多特性,此外还提供过功率保护、内置斜坡补偿及输入欠压保护等特性。NCP1351则是一款固定导通时间、可变关闭时间脉宽调制(PWM)控制器,适用于成本至关重要的低功率离线反激开关电源应用。这颗器件支持频率反走,还具有闩锁输入、自然的频率抖动、负电流感测及扩展的电源电压范围等特性。图4显示的是90至264 Vac输入条件下基于NCP1351的8 W-25 W LED照明方案。

图4:基于NCP1351的8 W至25 W AC-DC LED照明应用电路示意图。
需要PFC的8 W-25 W AC-DC LED照明应用中,假定输入电压规格为90至264 Vac,功率因数高于0.9,能效达80%,提供短路及过功率保护,输出电流同样有350 mA、700 mA和1 A等不同选择。在这类应用中,可以采用安森美半导体的NCP1607或NCP1608 PFC控制器。NCP1607是一款高性价比的临界导电模式(CrM) PFC控制器。这颗器件与业界标准引脚完全兼容,简化工程师的设计。可调节的过压保护(OVP)及环路开路保护等功能也增强了设计灵活性及强固性。图5展示的是NCP1607/NCP1608在85至135 Vac或185至264 Vac输入条件下的LED照明应用方案。

图5:基于NCP1607/8 PFC控制器的8 W-25 W AC-DC LED照明应用示意图
3) 功率高于50 W的AC-DC LED照明应用
在功率50 W到300W的AC-DC LED应用广泛用于街道照明及大功率区域照明应用中,可以采用不同的LED驱动方案,假定其输入电压规格为90至264 Vac,功率因数高于0.95,能效达90%。
此类应用可以采用下述不同方案,适合不同应用要求:
NCP1652:改进型单段式PFC
NCP1607/8+NCP1377:临界导电模式PFC+准谐振电流模式PWM
NCP1607/8+NCP1396:临界导电模式PFC+半桥谐振LLC
NCP1901:较新型两段式(PFC+更高效率半桥谐振LLC)
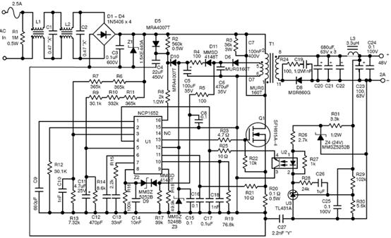
例如,在50 W-150 W的AC-DC LED应用中,既可以采用NCP1652这样的改进型单段式PFC控制器,也可以结合采用NCP1607/8 PFC控制器及NCP1377准谐振(QR)模式PWM控制器。其中,NCP1377结合了真正的电流模式调制器和退磁检测器,确保任何负载/线路条件下提供完整的CrM工作,并确保较低的漏电压开关(准谐振工作)。NCP1652驱动带有可编程死区时间的信号,支持有源钳位或同步整流,提供优化的能效。这颗器件还具有输入欠压保护、过压保护、过流保护等保护特性,支持频率抖动、跳周期及临界导电模式(CrM)/不连续导电模式(DCM)工作。基于NCP1652、采用85至135 Vac或185至264 Vac输入的50 W-150 W AC-DC LED方案的示意图如图6所示。

图6:基于NCP1652单段式PFC控制器的50 W-150 W AC-DC LED方案。
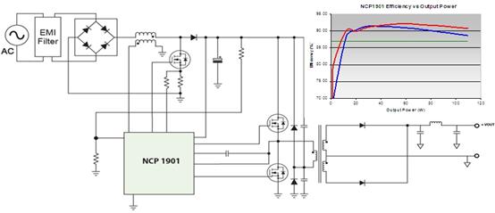
50 W以上功率的AC-DC LED照明应用如果需要更高能效的LED电源,则需要高能效的LED照明拓扑结构,往往从反激式拓扑结构转向谐振半桥拓扑结构,以充分发挥零电压开关(ZVS)技术的优势。NCP1396及NCP1901均是安森美半导体开发的LED电源用高能效半桥谐振方案。图7显示的是基于NCP1901的较新型PFC+谐振半桥LED驱动器方案,输入电压为90至264 Vac,功率100 W至300 W,其中半桥段工作在固定频率以及固定占空比,用于降低开关损耗。

图7:基于NCP1901的100W-300 W AC-DC LED照明方案
2,DC-DC LED照明方案
采用DC-DC电源供电的LED照明应用中,常见具体应用包括1 W-3 W MR11/MR16降压LED灯泡、1 W-20 W升压LED驱动器和20 W-60 W大功率LED驱动器。
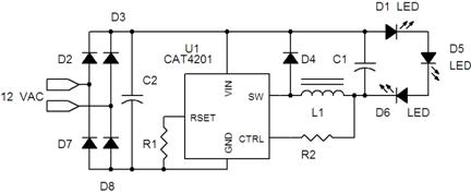
其中,在1 W-3 W DC-DC LED照明应用中,可以采用安森美半导体的CAT4201降压LED驱动器,这颗器件兼容于12 V及24 V系统,提供达350 mA的LED驱动电流,能够在24 V系统中驱动7个串联的LED,能效高达94%。这颗器件采用有专利的开关控制架构,帮助降低系统成本,支持CrM工作并提升能效。CAT4201还提供限流、热保护及LED开路保护等全面的保护特性。这颗器件在1 W-3 W DC-DC LED应用中的电路示意图如图8所示。

图8:基于CAT4201的1 W-3 W DC-DC LED方案。
而在功率范围达1 W-20 W的DC-DC升压LED应用中,可以采用安森美半导体的NCP3065/6或NCV3065/6(汽车应用版本)降压、升压、单端初级电感转换器(SEPIC)及逆变多模LED驱动器,并选择其中的升压电路模式。另外,功率范围达20 W-60 W的DC-DC降压LED应用中可以采用安森美半导体的NCP1034同步降压PWM控制器。
3,LED手电筒驱动方案
手电筒DC-DC LED照明方案包括升压型及降压型两种。1 W-3 W的升压型DC-DC LED手电筒应用中可以采用带真关闭功能的NCP1421升压DC-DC转换器,而1 W-3 W的降压L
相关阅读:
- ...· Efinix® 全力驱动AI边缘计算,成功推出Trion™ T20 FPGA样品, 同时将产品扩展到二十万逻辑单元的T200 FPGA
- ...· 英飞凌亮相进博会,引领智慧新生活
- ...· 三电产品开发及测试研讨会北汽新能源专场成功举行
- ...· Manz亚智科技跨入半导体领域 为面板级扇出型封装提供化学湿制程、涂布及激光应用等生产设备解决方案
- ...· 中电瑞华BITRODE动力电池测试系统顺利交付北汽新能源
- ...· 中电瑞华FTF系列电池测试系统中标北京新能源汽车股份有限公司
- ...· 中电瑞华大功率高压能源反馈式负载系统成功交付中电熊猫
- ...· 中电瑞华国际在电动汽车及关键部件测评研讨会上演绎先进测评技术
- ...· 华芯微国产汽车芯片门电路系列(篇一)
- ...· 华芯微国产汽车芯片CAN收发器系列(篇一)
- ...· 华芯微国产汽车芯片DC/DC转换器系列
- ...· 华芯微国产汽车芯片DC/DC转换器系列
- ...· 华芯微国产汽车芯片运算放大器系列(篇一)
- ...· 华芯微国产汽车芯片MOSFET 驱动器系列(篇一)
- ...· 数据采集终端系统设备
- ...· 简仪科技踏上新征程









