传导噪声分析技术
传导噪声分析技术
The analysis technology of conductive noise
中船重工第七一二研究所 冯成
摘要
本文介绍了传导噪声分析涉及的共模、差模噪声分离方法,阻抗对滤波器插入损耗的影响,以及在分析基础上如何快速得到适合的传导发射解决方案。
关键词
共模噪声,差模噪声,阻抗,插损,传导发射
Abstract
The article introduces one separation method for common-mode and differential-mode noise in conductive noise analyzing, the affection of filter insert loss due to the impedance, also includes how to find the best solution for conductive emission based on analysis results rapidly.
Keywords
common-mode noise, differential-mode noise, impedance, insert loss, conductive emission
传导发射是电磁兼容设计中的两个重要问题之一。为了满足标准中对传导发射限制的要求,通常使用EMI滤波器来抑制电子产品产生的传导噪声。快速选择或者设计一个满足需要的滤波器是解决问题的关键。传导噪声分析技术包括共模噪声、差模噪声分析,共模阻抗、差模阻抗分析,这是滤波器设计的基础。
1.共模噪声和差模噪声。
传导噪声根据传输特性产生分成两类:差模噪声和共模噪声。差模噪声是当两条电源线的电流方向互为相反时发生的,而共模噪声是当所有的电源线的电流方向相同时发生的,如图1所示。一般而言,共模是较大难题,是因为杂散电容的不当接地所造成的。

如果存在不等值的负载或线路阻抗,就会将共模电流转换成部分共模电流和部分差模电流。当电源系统给电路供电时,如果电路具有不等值的阻抗,而且电源的输出存在共模噪声时,共模噪声将差动方式作用于电路,电路可能会发生错误。所以,在产生共模电流时,就要首先降低共模噪声,其次是均衡阻抗。此外,由于共模和差模的特性,共模电流的频率会比差模的频率大。因此,共模电流会产生很大的射频辐射,而且会和邻近的组件和电路发生感性与容性的耦合。在实际电源电路里,差模噪声很像是一个电压源,共模噪声比较像是一个电流源,这使得共模噪声更难被消除。共模噪声和所有的电流源一样,需要有一个流动路径存在。因为它的路径包含底盘,所以外壳可能会变成一个大型的高频天线。
2. 共模噪声和差模噪声分析

图2 LISN测试示意图
在电磁兼容实验室,人们借助LISN和接收机完成传导发射的测试,测试结果将给出电源线上的总噪声特性。
图2给出了使用LISN测试电源噪声示意图,由于LISN输出使用标准50欧姆阻抗。因此两路LISN分别得到噪声电压:
VL=25xIcm+50xIdm
VN=25xIcm-50xIdm
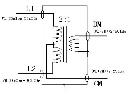
使用标准LISN我们无法分离共模和差模噪声,但是借助某些特殊装置可以分离出共模噪声和差模噪声。如:LISN UP, CM/DM分离器,ESA2000,PREMIPRO都可以完成噪声分离任务。图3给出了CM/DM分离器原理图。它是一种以变压器为基础的装置,利用共模电压无法使变压器工作的原理。

图3 CM/DM分离器原理图
至此已经了解了产品的传导发射是否满足标准要求,并且分析出共模噪声和差模噪声的特性。后续的工作就是选择或者设计一个滤波器来解决传导发射问题。

总噪声和差模噪声

总噪声和共模噪声
3. 电源输入阻抗特性分析
滤波器的制造商给出的滤波器插损是在50欧姆标准阻抗系统中的性能。众所周知的是电源的输入阻抗随着频率的变化具有不连续性。随着阻抗的改变滤波器的插损特性也具有很大的变化:

100µH电感(理想的)的衰减

100nF电容器(理想的)的衰减
为了充分发挥滤波器的性能,选择或者设计滤波器之前,需要对电源端口的输入阻抗进行分析,这包括共模阻抗、差模阻抗,共模噪声相位角、差模噪声相位角。
阻抗测试可以借助专用的阻抗测试仪或者传导分析仪。

共模阻抗(欧姆/Hz )

差模阻抗 (欧姆/Hz)
4. 电源滤波器
通常有四种技术来进行电源滤波,以便遏制干扰噪声。在实际使用中,经常是混合使用其中的两种,甚至更多。它们是:
正负极电源线之间添加电容,叫X电容。
每根电源线和地线之间添加电容,叫Y电容。
共模遏制(两根电源线上的遏制线圈同向绕线)。
差模遏制(每根电源线有它自己的遏制线圈)。
使用滤波器测试模板可以分别说明各个元件的滤波作用。滤波器模型如图4所示:


仅使用100uF差模电容前后的差模噪声

仅使用100uF差模电容前后的共模噪声

仅使用0.01uF共模电容前后的差模噪声

仅使用0.01uF共模电容前后的共模噪声

增加227uH差模电感前后的差模噪声

增加227uH差模电感前后的差模噪声

使用完整滤波前后的差模噪声

使用完整滤波前后的共模噪声
5. 解决方案
传导噪声分析中的共模噪声、差模噪声分析,共模阻抗、差模阻抗分析,以及噪声相位角的测试都是在给较终的解决方案做准备。电子产品满足传导发射的限制要求,较终是通过电源滤波器来实现的。但是怎么根据上述的分析结果快速准确的确定滤波器中的参数,这并不是每个设计工程师都可以胜任的。使用特制的滤波器设计软件,可以将测试数据导入专用软件中,工程师可快速的得到针对该产品的定制滤波器。

6.结束语
标准对传导发射的限制是针对电源线输入端,并不包括电源的输出端。本文所介绍的噪声分析方法可以借鉴到电源输出端的共模噪声和差模噪声测试,例如使用两个电流探头和CM/DM分离器(或LISN UP)就可以快速诊断电源输出端共模噪声。如果要求不高,也可以采用倒置的LISN和CM/DM分离器来测试电源输出端的共模噪声。
参考文献
1, PREMI PRO manual
2, ESA2000产品手册
3, LISN UP Application Note
相关阅读:
- ...· Efinix® 全力驱动AI边缘计算,成功推出Trion™ T20 FPGA样品, 同时将产品扩展到二十万逻辑单元的T200 FPGA
- ...· 英飞凌亮相进博会,引领智慧新生活
- ...· 三电产品开发及测试研讨会北汽新能源专场成功举行
- ...· Manz亚智科技跨入半导体领域 为面板级扇出型封装提供化学湿制程、涂布及激光应用等生产设备解决方案
- ...· 中电瑞华BITRODE动力电池测试系统顺利交付北汽新能源
- ...· 中电瑞华FTF系列电池测试系统中标北京新能源汽车股份有限公司
- ...· 中电瑞华大功率高压能源反馈式负载系统成功交付中电熊猫
- ...· 中电瑞华国际在电动汽车及关键部件测评研讨会上演绎先进测评技术
- ...· 华芯微国产汽车芯片门电路系列(篇一)
- ...· 华芯微国产汽车芯片CAN收发器系列(篇一)
- ...· 华芯微国产汽车芯片DC/DC转换器系列
- ...· 华芯微国产汽车芯片DC/DC转换器系列
- ...· 华芯微国产汽车芯片运算放大器系列(篇一)
- ...· 华芯微国产汽车芯片MOSFET 驱动器系列(篇一)
- ...· 数据采集终端系统设备
- ...· 简仪科技踏上新征程








