使用功率开关提高电源效率和可靠性
作者:飞兆半导体公司高级工程师Gwan-Bon Koo
通常,高频率运作的开关电源(SMPS)允许使用小型无源组件,而硬开关模式则会引起开关损耗增大,为了降低高开关频率下的开关损耗,业界开发了诸多软开关技术,其中负载谐振技术和零电压转换技术都获得广泛使用。
负载谐振技术利用电容和电感在整个开关期间的谐振特性,使得开关频率随着输入电压和负载电流而变化。开关频率的改变,如脉冲频率调制(PFM)给含有输入滤波器的SMPS设计人员带来了困难。因为这里没有用于滤波的输出电感,所以输出整流二极管两端的钳制电压允许设计人员选择低额定电压二极管。然而,当负载电流增加时,输出电感的缺位给输出电容带来了负担,因而负载谐振技术不适用于具有高输出电流和低输出电压的应用。另一方面,零电压转换技术利用的是电路寄生成分仅在开关开启和关断转换瞬间才出现的谐振特性。这些技术的优势之一是利用了寄生组件如主变压器的漏电感和开关的输出电容,因而无需增添更多的外部组件来实现软开关。此外,这些技术使用具有固定开关频率的脉宽调制(PWM)技术,因而,这些技术相比负载谐振技术更易于理解、分析和设计。
由于非对称PWM半桥转换器具有简单配置和零电压开关(ZVS)特性,因此是使用零电压转换技术的较常见拓扑之一。不仅如此,相比负载谐振拓扑如LLC转换器,非对称PWM半桥转换器具有一个输出电感,其输出电流的纹波成分小得可以由一个适当的输出电容来处理。由于易于分析和设计,且具有一个输出电感,所以非对称PWM半桥转换器通常用于具有高输出电流和低输出电压的应用如PC电源和服务器电源。为了更好地处理输出电流,往往在次级端使用一个同步整流器,因为传导损耗可作为替代二极管损耗的电阻损耗。相比LLC转换器,实现用于非对称半桥转换器的同步整流器驱动器更为便利,此外,电流倍增器是增加主变压器在高输出电流下的利用率的常用方案。
本文描述带有电流倍增器和同步整流器的非对称PWM半桥转换器的普遍特性,并列举一个示例及某些实验结果,该示例使用针对非对称受控拓扑的功率开关。
带有电流倍增器和同步整流器的非对称PWM半桥转换器的优势
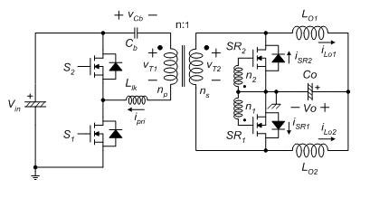
对于具有低输出电压和高输出电流的应用,广泛使用电流倍增器。图1所示为处于次级端带有电流倍增器的非对称PWM半桥转换器,次级线圈是单端配置而输出电感分为两个较小的电感。为了提高总体效率,使用具有低RDS(ON)的MOSFET构成的同步整流器(SynchronousRectifier,SR)。与传统的中心抽头式(center-tapped)配置相比,电流倍增器具有多项优势:首先,励磁电流的DC成分小于或等于中心抽头式配置的DC成分,因而变压器可以使用较小的磁芯。当每个输出电感承担负载电流的一半时,励磁电流与中心抽头式配置相似。如果输出电感承担的负载电流不均衡,励磁电流就会减少。其次,次级线圈电流的平方根值(root-mean-square,RMS)小于中心抽头式配置,这是因为几乎一半的负载电流流经各个输出电感。鉴于此,次级线圈的电流密度低,可以使用相同的磁芯和相同的线材规格。第三,其绕组本身较中心抽头式方案简单,尤其值得关注的是由于变压器线引脚数量的限制,可用于多输出应用。第四,可以更便利、有效地从输出电感获取SR 的栅极信号,由于初级线圈匝数足够多而变压器次级线圈匝数只有少许,可从输出电感轻易获取适当的栅极电压,如10V和20V之间的电压。此外,单独的输出电感将会减轻更大磁芯的成本负担。鉴于上述数项优势,电流倍增器是高输出电流应用的较常用拓扑之一。

图1. 使用电流倍增器的非对称PWM半桥转换器。
建议的转换器运作原理
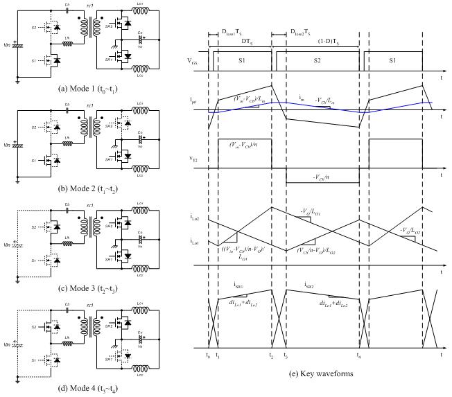
如图2所示,从供电模式2开始,由于S1 开启,Vin-VCb 施加到变压器的初级端,励磁电流 im 以斜率(Vin-VCb)/Lm.增加,由于SR2 关断,LO1 的电流斜率就由(Vin-VCb)/n减去输出电压决定。另一方面,LO2 的电流以斜率 –VO/LO2减小,这是流经SR1 的续流(free-wheeling)。当两个输出电感分享负载电流时,SR1 承担全部负载电流。变压器的次级绕组仅处理 iLO1 ,因而iLO1/n 是反射到变压器初级端的电流,它在励磁电流上叠加,构成初级电流 ipri。在实际上,由于漏电感的现象,所以 vT2 较图2所示的数值稍低,但我们在这一章段中将忽略这一情况,从而简化分析。

图2. 建议转换器的运作分析。
当S1 关断,则开始模式3,由于S2 的输出电容被放电,故vT1 也减小,较终,当S2 输出电容电压等于VCb. 时,它变为零。同时,由于SR2 的反向偏置电压消除,因此它的体二极管开启导通。然后,两个SR 在这个模式中一起导通。S2 的体二极管在S2 的输出电容和S1 的输出电容完全放电后导通,由于两个SR均导通,iLO1 和 iLO2 均为续流,斜率分别为 –VO/LO1 和 –VO/LO2,,而 vT1 和 vT2 均为零。由于 VCb 仅仅施加在漏电感上,它引起初级电流的极性快速变化。在S2 的体二极管导通后S2 开启,从而实现S2 的ZVS运作,这个模式的持续时间为:
(1)
模式4是另一个充电模式,在各个SR之间的换向结束时开始,在变压器初级端施加的电压为–VCb ,因而励磁电流以斜率 –VCb/Lm 减少,iLO2 的斜率为(VCb/n-VO)/LO2。其它的电感电流是通过SR2 的续流。可从图2看出,由于异相(out-of-phase)作用,每个输出电感的大纹波电流得以消除。因而,相比中心抽头式或桥式整流配置,它可以在电流倍增器配置中使用两个较小的电感。
当S2 关断,模式1作为另一个重建模式而开始,模式1的运作原理几乎与模式3相同,只有ZVS状况例外。在模式1中,当S1 的输出电容电压等于 Vin-VCb 的瞬间,vT1 成为零。在这个瞬间之前,输出电感LO2 上的负载电流反射到变压器的初级端,有助于实现开关的ZVS运作。与此相反,存储在漏电感中的能量仅在这个瞬间之后对输出电容进行放电和充电。因而,S1的ZVS运作较S2 更为稳固,因为通常 Vin-VCb 高于VCb ,除此之外,可以与模式3相同的方式进行分析,模式1的延续时间为:
(2)
使用公式(1)和(2)详细计算输出电压:
(3)
VSR 是SR 处于充电模式时MOSFET两端的电压。
im 的DC和纹波成分可从下式获得:
(4)
(5)
这里,ILO1 和 ILO2 是输出电感电流的DC成分。
设计示例和实验结果
在本节中讨论一个设计示例,目标系统是输出电压为12V和输出负载电流为30A的PC电源,由于输入通常来自功率因数校正(PFC)电路,输入电压的范围并不宽泛,目标规范如下:
Ø 标称输入电压:390VDC
相关阅读:
- ...· Efinix® 全力驱动AI边缘计算,成功推出Trion™ T20 FPGA样品, 同时将产品扩展到二十万逻辑单元的T200 FPGA
- ...· 英飞凌亮相进博会,引领智慧新生活
- ...· 三电产品开发及测试研讨会北汽新能源专场成功举行
- ...· Manz亚智科技跨入半导体领域 为面板级扇出型封装提供化学湿制程、涂布及激光应用等生产设备解决方案
- ...· 中电瑞华BITRODE动力电池测试系统顺利交付北汽新能源
- ...· 中电瑞华FTF系列电池测试系统中标北京新能源汽车股份有限公司
- ...· 中电瑞华大功率高压能源反馈式负载系统成功交付中电熊猫
- ...· 中电瑞华国际在电动汽车及关键部件测评研讨会上演绎先进测评技术
- ...· 华芯微国产汽车芯片门电路系列(篇一)
- ...· 华芯微国产汽车芯片CAN收发器系列(篇一)
- ...· 华芯微国产汽车芯片DC/DC转换器系列
- ...· 华芯微国产汽车芯片DC/DC转换器系列
- ...· 华芯微国产汽车芯片运算放大器系列(篇一)
- ...· 华芯微国产汽车芯片MOSFET 驱动器系列(篇一)
- ...· 数据采集终端系统设备
- ...· 简仪科技踏上新征程








