通过USB连接器来保护电源和充电器件的安全
如今大多数电子设备都有USB连接器,它们通过USB实现数据交换和/或对便携设备的电池充电。虽然USB这种通信协议已经相当普及,但当目标应用需要通过USB连接为设备供电时,必须注意一些安全防范措施。
电气特性和防护措施
通过USB连接的下游系统可以由多种类型的主机来供电。
在连接个人计算机(PC)等标准USB源设备时,连接器上将包含Vbus电源端子和数据端子(D+和D-)。Vbus电压值由USB规范明确定义:额定电压为5V,较高可达5.25V。事实上,较长的线缆会因串连电感产生振铃现象。这个较大振铃纹波电压取决于移动设备的输入电容和寄生电感。售后非原配件往往具有较低的性能,电缆也会有较高的寄生参数,这些因素对连接的外设可能造成潜在危害。
通常Vbus引脚连接至收发器的电源输入引脚(有时会通过较大额定电压为6V的低压降稳压器进行连接),在Vbus电源用于对锂离子电池充电时(大多数情况下较大额定电压为7V或10V)也可以连接至充电器的输入引脚。
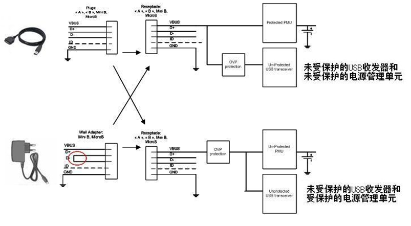
但用户也可以连接外设为内置锂离子电池充电(如图1的墙适配器部分),然后使用市场上出售的墙适配器。在这个案例中,仅有Vbus引脚和GND被连接,而D+和D-被短路。

图1:通过外设为内置电池充电
根据这种适配器的质量和复杂程度,其输出电压可能发生远远超过制造目前小型便携式产品所需敏感电子元件较大额定值的输出瞬态现象。
对一些交流-直流电源的基准测试显示出不良的线路稳压性能,而在存在光耦反馈(开关充电器)损耗的情况下更糟糕,输出电压可能升高至20V。
通过在设备前面设计过压保护(OVP)器件,浪涌效应和主机不尽责现象可以被消除。
如何设计
USB电流能力在正常模式下是100mA(未配置模式),而在配置模式下可达500mA。为了节省功率,在没有数据流量时USB将进入暂停模式。当器件处在暂停模式,而且又是总线供电的话,器件将不能从总线抽取超过500μA的电流。一个主机能够发出恢复指令或远程唤醒指令来激活另一个待机状态的主机。上述要点表明OVP电路需要满足不同指标要求,如电流能力、散热、欠压和过压保护及静态电流消耗
相关阅读:
- ...· Efinix® 全力驱动AI边缘计算,成功推出Trion™ T20 FPGA样品, 同时将产品扩展到二十万逻辑单元的T200 FPGA
- ...· 英飞凌亮相进博会,引领智慧新生活
- ...· 三电产品开发及测试研讨会北汽新能源专场成功举行
- ...· Manz亚智科技跨入半导体领域 为面板级扇出型封装提供化学湿制程、涂布及激光应用等生产设备解决方案
- ...· 中电瑞华BITRODE动力电池测试系统顺利交付北汽新能源
- ...· 中电瑞华FTF系列电池测试系统中标北京新能源汽车股份有限公司
- ...· 中电瑞华大功率高压能源反馈式负载系统成功交付中电熊猫
- ...· 中电瑞华国际在电动汽车及关键部件测评研讨会上演绎先进测评技术
- ...· 华芯微国产汽车芯片门电路系列(篇一)
- ...· 华芯微国产汽车芯片CAN收发器系列(篇一)
- ...· 华芯微国产汽车芯片DC/DC转换器系列
- ...· 华芯微国产汽车芯片DC/DC转换器系列
- ...· 华芯微国产汽车芯片运算放大器系列(篇一)
- ...· 华芯微国产汽车芯片MOSFET 驱动器系列(篇一)
- ...· 数据采集终端系统设备
- ...· 简仪科技踏上新征程








